FUEL SYSTEM LOCATION INDEX [SKYACTIV-G (WITHOUT CYLINDER DEACTIVATION (US))]
FUEL SYSTEM LOCATION INDEX [SKYACTIV-G (WITHOUT CYLINDER DEACTIVATION (US))]
SM2565719
id0114u0800100
Engine Compartment Side
am3zzw00021253
|
|
1
|
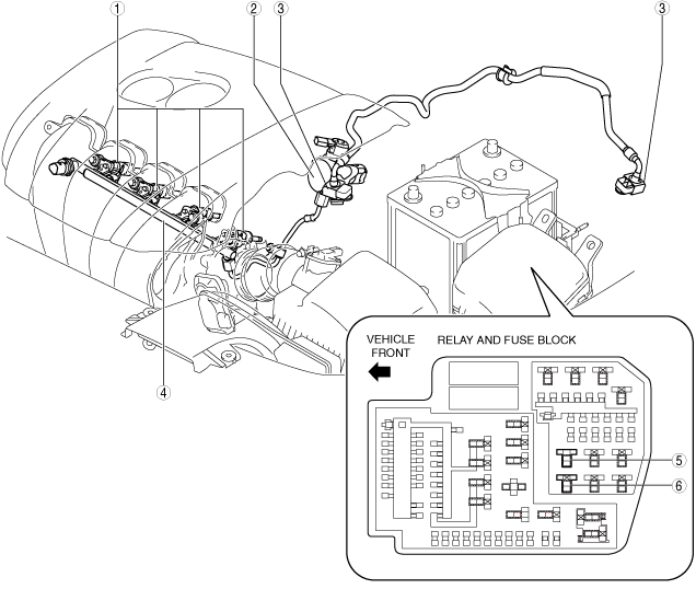
Fuel injector
|
|
2
|
High pressure fuel pump
|
|
3
|
Quick release connector
|
|
4
|
Fuel distributor
|
|
5
|
Sub relay
(See RELAY INSPECTION.)
|
|
6
|
Fuel pump relay
(See RELAY INSPECTION.)
|
Fuel Tank Side
U.S.A. and CANADA
am3zzw00032342
|
|
1
|
Fuel tank
|
|
2
|
Quick release connector
|
|
3
|
Fuel-filler pipe
|
|
4
|
Non-return valve
|
|
5
|
Fuel pump control module
|
|
6
|
Fuel filter (high-pressure)
|
|
7
|
Fuel pump unit
|
Except U.S.A. and CANADA
am3zzw00032343
|
|
1
|
Fuel tank
|
|
2
|
Fuel-filler pipe
|
|
3
|
Quick release connector
|
|
4
|
Non-return valve
|
|
5
|
Fuel pump control module
|
|
6
|
Fuel filter (high-pressure)
|
|
7
|
Fuel pump unit
|


