Menu +
Generic selectors
Exact matches only
Search in title
Search in content
Post Type Selectors

RELAY INSPECTION

RELAY INSPECTION

SM2336687


id092100800300



Relay Type

Connector type

Part name

Type A
• Windshield wiper de-icer relay
• Main relay
• Ig1 relay No.1
• Ig1 relay No.2
• Cooling fan relay No.2
• Cooling fan relay No.2
• Starter relay
• ACC relay
• Rear window defogger relay
• Horn relay
• Sub relay
• Fuel pump relay
• Electric variable valve timing relay
• A/C relay
• Electric at oil pump relay/
• Cooling fan relay No.1/
• Cooling fan relay No.2/
Type B
• Blower relay



Type A

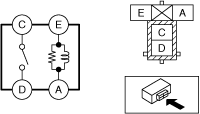
1.Remove the relay.

(See RELAY LOCATION [(US)].)

2.Verify the continuity between relay terminals C and D.

am3uuw00014873
• If it can be verified, replace the relay. (See RELAY LOCATION [(US)].)
• If it cannot be verified, go to the next step.

3.Verify the continuity between relay terminals E and A.

• If it can be verified, go to the next step.
• If it cannot be verified, replace the relay. (See RELAY LOCATION [(US)].)

4.Apply battery voltage to relay terminal E, and connect terminal A to ground.

5.Verify the continuity between relay terminals C and D.

• If it cannot be verified, replace the relay. (See RELAY LOCATION [(US)].)



Type B

1.Remove the relay.

(See RELAY LOCATION [(US)].)

2.Verify the continuity between the relay terminals C and A.

am3uuw00014875
• If it can be verified, replace the relay. (See RELAY LOCATION [(US)].)
• If it cannot be verified, go to the next step.

3.Verify the continuity between the relay terminals D and B.

• If it can be verified, go to the next step.
• If it cannot be verified, replace the relay. (See RELAY LOCATION [(US)].)

4.Apply battery voltage to relay terminal D, and connect terminal B to ground.

5.Verify the continuity between relay terminals C and A.

• If it cannot be verified, replace the relay. (See RELAY LOCATION [(US)].)