ERROR IS DISPLAYED ON VEHICLE IDENTIFICATION [BETWEEN VEHICLE AND VCM-2] SCREEN [(US)]
ERROR IS DISPLAYED ON VEHICLE IDENTIFICATION [BETWEEN VEHICLE AND VCM-2] SCREEN [(US)]
SM2566475
id1002x1005300
-
Caution
-
• Perform the following malfunction diagnosis only when vehicle identification [between vehicle and VCM-2] is not passed according to the [TROUBLESHOOTING PROCEDURE]. (See TROUBLESHOOTING PROCEDURE [(US)].)
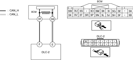
System Wiring Diagram
am3zzw00027502
|
Determination Procedure
-
Caution
-
• When disconnecting the connector, verify that there is no looseness, damage, deformation, corrosion, or poor connection of the connector terminals.• When inspecting the DLC-2, touch it with a paper clip or similar thin pin without directly inserting a tester into the terminals.• Disconnect the negative battery terminal before performing any work that requires handling of connectors.
|
Step |
Inspection |
Action |
|
|---|---|---|---|
|
1
|
INSPECT DLC-2 GROUND CIRCUIT
• Switch the ignition off.
• Disconnect the negative battery terminal. (See NEGATIVE BATTERY TERMINAL DISCONNECTION/CONNECTION [(US)].)
• Inspect for continuity between DLC-2 terminal J and body ground.
• Is there continuity?
|
Yes
|
Go to the next step.
|
|
No
|
A malfunction has occurred between DLC-2 and body ground.
• Repair or replace the malfunctioning location.
|
||
|
2
|
Measure the voltage at DLC-2.
• Connect the negative battery terminal. (See NEGATIVE BATTERY TERMINAL DISCONNECTION/CONNECTION [(US)].)
• Switch the ignition ON (engine off).
• Measure the voltage at DLC-2 terminal A.
• Is the voltage B+?
|
Yes
|
Go to the next step.
|
|
No
|
A malfunction has occurred between DLC-2 and battery.
• Inspect the following fuse or wiring harness.
• Repair or replace the malfunctioning location.
|
||
|
3
|
INSPECT CAN LINE BETWEEN DLC-2 AND BODY CONTROL MODULE (BCM) FOR SHORT TO POWER SUPPLY
• Measure the voltage at DLC-2 terminals F and E.
• Is the voltage between 1.5—3.5 V?
|
Yes
|
Go to Step 5.
|
|
No
|
Go to the next step.
|
||
|
4
|
INSPECT BODY CONTROL MODULE (BCM) FOR SHORT TO POWER SUPPLY
• Switch the ignition off.
• Disconnect the negative battery terminal. (See NEGATIVE BATTERY TERMINAL DISCONNECTION/CONNECTION [(US)].)
• Disconnect the connector 3 which has body control module (BCM) terminals 3T and 3S.
• Connect the negative battery terminal. (See NEGATIVE BATTERY TERMINAL DISCONNECTION/CONNECTION [(US)].)
• Switch the ignition ON (engine off).
• Measure the voltage at DLC-2 terminals F and E.
• Is the voltage between 0 V?
|
Yes
|
Replace the body control module (BCM) because there is a short to the power supply in the body control module (BCM).
|
|
No
|
Repair or replace the wiring harness between the body control module (BCM) and DLC-2 because the wiring harness is shorted to the power supply.
|
||
|
5
|
INSPECT CAN LINE BETWEEN DLC-2 AND BODY CONTROL MODULE (BCM) FOR SHORT BETWEEN CIRCUITS
• Switch the ignition off.
• Disconnect the negative battery terminal. (See NEGATIVE BATTERY TERMINAL DISCONNECTION/CONNECTION [(US)].)
• Disconnect the connector 3 which has body control module (BCM) terminals 3T and 3S.
• Inspect for continuity between DLC-2 terminals F and E.
• Is there continuity?
|
Yes
|
Repair or replace the wiring harness between the DLC-2 and body control module (BCM) because the wiring harness is shorted between circuits.
|
|
No
|
Go to the next step.
|
||
|
6
|
INSPECT BODY CONTROL MODULE (BCM) FOR SHORT BETWEEN CIRCUITS
• Connect the connector 3 which has body control module (BCM) terminals 3T and 3S.
• Connect the negative battery terminal. (See NEGATIVE BATTERY TERMINAL DISCONNECTION/CONNECTION [(US)].)
• Switch the ignition ON (engine off).
• Measure the voltage at DLC-2 terminals F and E.
• Is the voltage at DLC-2 terminals F and E the same?
|
Yes
|
Replace the body control module (BCM) because there is a short to the power supply in the body control module (BCM).
|
|
No
|
Go to the next step.
|
||
|
7
|
INSPECT FOR SHORT TO GROUND BETWEEN DLC-2 AND BODY CONTROL MODULE (BCM)
• Switch the ignition off.
• Disconnect the negative battery terminal. (See NEGATIVE BATTERY TERMINAL DISCONNECTION/CONNECTION [(US)])
• Inspect for continuity at the following terminals:
• Is there continuity?
|
Yes
|
Go to the next step.
|
|
No
|
Go to Step 9.
|
||
|
8
|
INSPECT CAN LINE IN BODY CONTROL MODULE (BCM) FOR SHORT TO GROUND
• Disconnect the connector 3 which has body control module (BCM) terminals 3T and 3S.
• Inspect for continuity at the following terminals:
• Is there continuity?
|
Yes
|
Repair or replace the wiring harness between the DLC-2 and body control module (BCM) because the wiring harness is shorted to ground.
|
|
No
|
Replace the body control module (BCM) because there is a short to the power supply in the body control module (BCM).
|
||
|
9
|
VERIFY IF MALFUNCTION CAUSE IS OPEN CIRCUIT IN WIRING HARNESS BETWEEN DLC-2 AND BODY CONTROL MODULE (BCM)
• Inspect for continuity at the following terminals:
• Is there continuity?
|
Yes
|
Because the circuit between the vehicle and VCM-2 is currently normal, go back to the [TROUBLESHOOTING PROCEDURE].
|
|
No
|
• Any of the following malfunctions may have occurred.
|
||
