LIGHT SWITCH INSPECTION [(US)]
LIGHT SWITCH INSPECTION [(US)]
SM2566417
id0918008029x1
Light Switch Inspection
1.Disconnect the negative battery terminal. (See NEGATIVE BATTERY TERMINAL DISCONNECTION/CONNECTION [(US)].)
2.Remove the light switch. (See LIGHT SWITCH REMOVAL/INSTALLATION [(US)].)
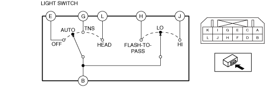
3.Verify that the continuity between the light switch terminals is as indicated in the table.
am3zzw00027215
|
am3zzw00026051
|
-
• If not as indicated in the table, replace the light switch. (See LIGHT SWITCH REMOVAL/INSTALLATION [(US)].)
Turn Switch Inspection
1.Disconnect the negative battery terminal. (See NEGATIVE BATTERY TERMINAL DISCONNECTION/CONNECTION [(US)].)
2.Remove the light switch. (See LIGHT SWITCH REMOVAL/INSTALLATION [(US)].)
3.Verify that the continuity between the light switch terminals is as indicated in the table.
am3zzw00027216
|
am3zzw00026308
|
-
• If not as indicated in the table, replace the light switch. (See LIGHT SWITCH REMOVAL/INSTALLATION [(US)].)



