REAR ABS WHEEL-SPEED SENSOR INSPECTION [2WD]
REAR ABS WHEEL-SPEED SENSOR INSPECTION [2WD]
SM2515165
id0415008002a1
Sensor Output Value Inspection
-
Caution
-
• Resistance inspection using other testers may cause damage to the rear ABS wheel-speed sensor internal circuit. Be sure to use the M-MDS to inspect the rear ABS wheel-speed sensor.
1.Switch the ignition off.
2.Connect the M-MDS to the DLC-2.
3.Select the following PIDs using the M-MDS: (See PID/DATA MONITOR INSPECTION.)
-
• WSPD_SEN_L/R (LR ABS wheel-speed sensor)• WSPD_SEN_R/R (RR ABS wheel-speed sensor)
4.Start the engine and drive the vehicle.
5.Verify that the display of the M-MDS shows the same value as the speedometer.
-
• If there is any malfunction, replace the rear ABS wheel-speed sensor. (See REAR ABS WHEEL-SPEED SENSOR REMOVAL/INSTALLATION.)
Installation Visual Inspection
1.Inspect the following items:
-
• Excessive play of the rear ABS wheel-speed sensor• Deformation of the rear ABS wheel-speed sensor
-
― If there is any malfunction, replace the rear ABS wheel-speed sensor. (See REAR ABS WHEEL-SPEED SENSOR REMOVAL/INSTALLATION.)
• Deformation or damage of the ABS sensor rotor-
― If there is any malfunction, replace the wheel hub component. (See WHEEL HUB COMPONENT REMOVAL/INSTALLATION [2WD].)
-
Clearance Inspection
1.Remove the rear ABS wheel-speed sensor. (See REAR ABS WHEEL-SPEED SENSOR REMOVAL/INSTALLATION.)
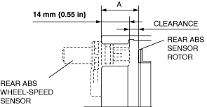
2.Measure the distance between the rear ABS wheel-speed sensor installation surface and the ABS sensor rotor. This is dimension A.
am3zzw00031407
|
3.Calculate the clearance between the rear ABS wheel-speed sensor and the ABS sensor rotor using the following formula:
-
Clearance (mm {IN}) = A-14 {0.55}
4.Verify that the clearance between the ABS sensor rotor and the rear ABS wheel-speed sensor is as indicated below.
-
• If there is any malfunction, replace the rear ABS wheel-speed sensor. (See REAR ABS WHEEL-SPEED SENSOR REMOVAL/INSTALLATION.)
-
Clearance
-
• 0.14—1.00 mm {0.0056—0.0393 in}
