GENERATOR DISASSEMBLY/ASSEMBLY [SKYACTIV-G (WITH CYLINDER DEACTIVATION (US))]
GENERATOR DISASSEMBLY/ASSEMBLY [SKYACTIV-G (WITH CYLINDER DEACTIVATION (US))]
SM2763689
id0117008004v2
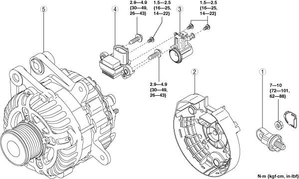
1.Disassemble in the order indicated in the table.
2.Assemble in the reverse order of disassembly.
am3zzw00034235
|
|
1
|
Terminal B component
|
|
2
|
Rear cover
|
|
3
|
Brush holder
|
|
4
|
Regulator assy
|
|
5
|
Generator
|
