GENERATOR DISASSEMBLY/ASSEMBLY [SKYACTIV-G (WITHOUT CYLINDER DEACTIVATION (US))]
GENERATOR DISASSEMBLY/ASSEMBLY [SKYACTIV-G (WITHOUT CYLINDER DEACTIVATION (US))]
SM2763688
id0117008004v0
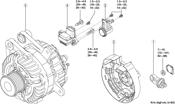
1.Disassemble in the order indicated in the table.
2.Assemble in the reverse order of disassembly.
SKYACTIV-G 2.0 (MTX)
am3zzw00034233
|
|
1
|
Terminal B component
|
|
2
|
Rear cover
|
|
3
|
Brush holder
|
|
4
|
Regulator assy
|
|
5
|
Generator
|
SKYACTIV-G 2.0 (ATX), SKYACTIV-G 2.5
am3zzw00034234
|
|
1
|
Terminal B component
|
|
2
|
Rear cover
|
|
3
|
Brush holder
|
|
4
|
Regulator assy
|
|
5
|
Generator
|

