REAR DIFFERENTIAL DISASSEMBLY
REAR DIFFERENTIAL DISASSEMBLY
SM2515140
id031400146500
Special Service Tool (SST)
|
49 H027 002
Bearing remover
|
![]() |
49 M005 561
Differential carrier hanger
|
![]() |
49 L027 004
Gear case remover
|
![]() |
|
49 L027 006
Serrate socket
|
![]() |
49 L027 007
Hex socket
|
![]() |
49 T032 316
Shaft
|
![]() |
|
49 T032 317
Weight
|
![]() |
49 0107 680A
Engine stand
|
![]() |
49 0839 425C
Bearing puller set
|
![]() |
-
Warning
-
• The engine stand is equipped with a self-lock mechanism, however, if the rear differential is in a tilted condition, the self-lock mechanism could become inoperative. If the rear differential unexpectedly rotates it could cause injury, therefore do not maintain the rear differential in a tilted condition. When turning the rear differential, grasp the rotation handle firmly.
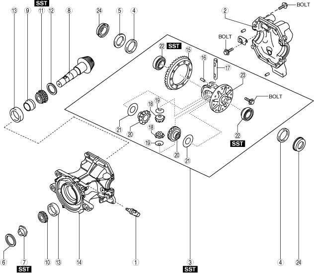
1.Disassemble in the order indicated in the table.
am3zzw00031631
|
|
1
|
Differential oil temperature sensor
|
|
2
|
Rear cover
(See Rear Cover Disassembly Note.)
|
|
3
|
Rear differential component
|
|
4
|
Adjusting shim
|
|
5
|
Spacer
|
|
6
|
Oil seal (Coupling component)
|
|
7
|
Locknut
(See Locknut Disassembly Note.)
|
|
8
|
Drive pinion
|
|
9
|
Collapsible spacer
|
|
10
|
Bearing inner race (front)
|
|
11
|
Bearing inner race (rear)
|
|
12
|
Spacer
|
|
13
|
Bearing outer race
|
|
14
|
Differential carrier
|
|
15
|
Ring gear
(See Ring Gear Disassembly Note.)
|
|
16
|
Pin
|
|
17
|
Pinion shaft
|
|
18
|
Pinion gear
|
|
19
|
Thrust washer
|
|
20
|
Side gear
|
|
21
|
Thrust washer
|
|
22
|
Side bearing
|
|
23
|
Gear case
|
|
24
|
Oil seal (side gear)
|
Rear Cover Disassembly Note
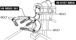
1.Install the SSTs to the engine stand.
ac30zw00001979
|
2.Install the rear differential to the SSTs.
ac30zw00001980
|
3.Remove the rear cover.
Rear Differential Component Disassembly Note
1.If the rear differential component cannot be removed by hand, remove the rear differential component using the SSTs.
ac5jjw00003277
|
2.Mark or otherwise distinguish between the removed left and right adjusting shims, spacers and side bearing outer races so that they are not mixed up at the time of reassembly.
Locknut Disassembly Note
1.Remove the locknut using the SSTs.
ac8jjw00002620
|
Drive Pinion Disassembly Note
1.Remove the drive pinion by lightly tapping with a copper hammer.
am3zzw00031633
|
Bearing Inner Race (Rear) Disassembly Note
1.Remove the bearing inner races (rear) using the SST and a press.
am3zzw00031634
|
Bearing Outer Race Disassembly Note
1.Remove the bearing outer races using the 2 grooves in the carrier and alternately tapping the sides of the races with a brass bar.
am3zzw00031635
|
Ring Gear Disassembly Note
1.Secure the gear case in a vise and remove the bolts.
am3zzw00031636
|
2.Lightly tap around the ring gear using a plastic hammer to remove the ring gear from the gear case.
Side Bearing Disassembly Note
-
Caution
-
• Mark or otherwise distinguish between the left and right side bearings so that they are not mixed up at the time of reassembly.
1.Remove the side bearing inner races from the gear case using the SST.
am3zzw00031637
|


















