DIFFERENTIAL DISASSEMBLY
DIFFERENTIAL DISASSEMBLY
SM2841730
id051500169500
1.Perform the “DIFFERENTIAL BACKLASH ADJUSTMENT”.(See DIFFERENTIAL BACKLASH ADJUSTMENT.)
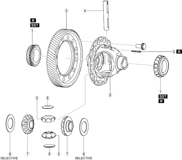
2.Disassemble the differential in the order shown in the figure.
bc61um00000132
|
|
1
|
Tapered roller bearing
|
|
2
|
Ring gear
(See Ring Gear Removal Note.)
|
|
3
|
Pin
(See Pin Removal Note.)
|
|
4
|
Pinion gear shaft
|
|
5
|
Pinion gear
|
|
6
|
Pinion gear shaft
|
|
7
|
Side gear
|
|
8
|
Thrust washer
|
|
9
|
Differential case
|
Tapered Roller Bearing Removal Note
1.Secure the differential in a vice.
bc61um00000067
|
2.Remove the tapered roller bearing (clutch housing side) using the SST.
bc61um00000068
|
-
Note
-
• There is a groove in the differential case component for attaching the SST tab.
3.Using the SST, remove the tapered roller bearing (transaxle case side).
bc61um00000069
|
-
Note
-
• There is a groove in the differential case component for attaching the SST tab.
Ring Gear Removal Note
1.Secure the differential in a vice as shown in the figure.
bc61um00000203
|
2.Remove the ring gear bolts.
3.Tap the ring gear using a plastic hammer and remove the ring gear.
Pin Removal Note
1.Remove the pin using a punch.
bc61um00000133
|





