Menu +
Generic selectors
Exact matches only
Search in title
Search in content
Post Type Selectors

HIGH BEAM CONTROL (HBC) SYSTEM

HIGH BEAM CONTROL (HBC) SYSTEM

SM2334311


id151000002300



Outline

• The High Beam Control (HBC) system turns the headlights HI off when the forward sensing camera (FSC) installed to the windshield recognizes a vehicle ahead and when traveling through towns and cities while the vehicle is being driven with the headlights HI turned on. Due to this, blinding of other vehicles from headlight glare is prevented and driver visibility is assured.
Caution
• Under the following conditions, the ability of the forward sensing camera (FSC) to detect light-emitting objects decreases, which could result in the system not operating normally and the inability to detect vehicles ahead.
― Brightness of moonlight in surrounding area
― Poor visibility due to rain and fog
― Scratches or dirt on the camera lens or windshield glass
• Do not rely solely on the High Beam Control (HBC) system, and perform the appropriate switching operation based on a visual determination of the conditions.
• If the forward sensing camera (FSC) aiming is not completed correctly, the forward sensing camera (FSC) cannot record the camera shooting angle and the High Beam Control (HBC) system may not operate normally. When performing the following servicing, always perform the forward sensing camera (FSC) aiming. In addition, for the forward sensing camera (FSC) aiming procedure, refer to the [FORWARD SENSING CAMERA (FSC) AIMING] in the Workshop Manual.
― Forward sensing camera (FSC) replacement
― Forward sensing camera (FSC) clip replacement
― Windshield replacement



Structural View

am3zzn00008405



Function

• If the body control module (BCM) recognizes light-emitting objects (vehicles ahead, street lights (driving in town/city)) in front of the vehicle using the light-emitting object detection function while the vehicle is traveling with the headlights HI turned on, it turns off the headlights HI and turns the headlights HI on when light-emitting objects are no longer detected.
• For the light-emitting object detection function of the forward sensing camera (FSC), refer to the [FORWARD SENSING CAMERA (FSC)]. (See FORWARD SENSING CAMERA (FSC) [(US)].)


Setting function for control order of precedence

• If several light-emitting objects are recognized (vehicles ahead, street lights (driving in town/city)), control is conducted according to the following order of precedence.
1. Closest on-coming vehicle
2. Closest vehicle ahead
3. Street lights (driving in town/city)


System conditions display function

• The body control module (BCM) displays the system status using the HBC indicator light (green), HBC warning light (amber), and multi-information display in the instrument cluster.

Condition

HBC indicator light (green)

HBC warning light (amber)

Multi-information display

Light switch is in AUTO and dimmer switch is in position other than LO
Off
Off
No display
Headlights off
While vehicle is stopped
System set to off by personalization
Light switch is in AUTO and dimmer switch is in LO and headlights turned on
On
Forward sensing camera (FSC) detects that the camera is dirty, fogging
Off
Malfunction in high beam control (HBC) occurs
On
Malfunction in forward sensing camera (FSC) occurred



Operation


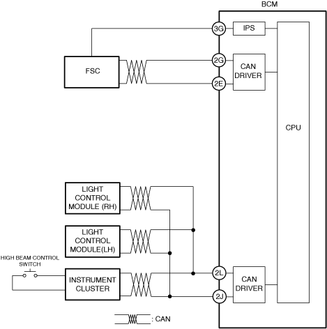
System wiring diagram

am3zzn00010313


Block diagram

am3zzn00008407


Low beam switching operation

• When any of the following conditions is met while the headlights are turned on with the light switch in the AUTO position and the dimmer switch in the HI position, the headlights HI turns off.
Operation condition
― Vehicles ahead, street lights (driving in city/town) are recognized
― Vehicle speed is 20 km/h {12 mph} or less (vehicle speed signal of 20 km/h {12 mph} or less is received)
Note
• When the high beam control switch is pressed while the high beam control (HBC) system is on, the high beam control (HBC) system turns off. (The headlights HI turns off)
• When the high beam control switch is pressed while the high beam control (HBC) system is off, the high beam control (HBC) system turns on. (The headlights HI turns on/off depending on the surrounding conditions)
1. When any of the operation conditions are met, the body control module (BCM) sends (1) a headlight HI off request signal to the light control module (LCM) by using CAN communication.
2. When the light control module (LCM) receives the headlight HI off request signal, it turns the headlight HI off (2).
am3zzn00008408


High beam return operation

• When the following condition is met, the headlights HI turn on.
Operation condition
― Vehicle speed is 30 km/h {19 mph} or more (vehicle signal of 30 km/h {19 mph} or more is received) and vehicles ahead or street lights (driving in city/town) are not recognized by the forward sensing camera (FSC)
On-coming vehicles
1. When the body control module (BCM) determines that a recognized on-coming vehicle moves away from the camera range based on the object information from the forward sensing camera (FSC), it sends (1) a headlight HI on request signal to the light control module (LCM) by using CAN communication.
2. When the light control module (LCM) receives the headlight HI on request signal, it turns the headlight HI on (2).
am3zzn00008409
Vehicles ahead or street lights (driving in city/town)
1. If the body control module (BCM) no longer detects a recognized vehicle ahead or street lights (driving in city/town) in the camera range based on the object information from the forward sensing camera (FSC), it maintains (1) the headlights LO on condition for a certain period of time.
2. If the body control module (BCM) does not detect vehicles ahead or street lights (driving in city/town) after the certain period of time has elapsed based on the object information from the forward sensing camera (FSC), it sends (2) a headlight HI on request signal to the light control module (LCM) by using CAN communication.
3. When the light control module (LCM) receives the headlight HI on request signal, it turns the headlight HI on (3).
am3zzn00008410
Forward sensing camera (FSC) loses sight of vehicle ahead which is cornering
• If the forward sensing camera (FSC) loses sight of a recognized vehicle which is cornering, the body control module (BCM) maintains the headlights LO on condition until reaching the locus at which the forward sensing camera (FSC) lost sight of it.
• If the vehicle ahead is not detected at the locus at which the forward sensing camera (FSC) had lost sight of it, the headlights HI are turned on. If the vehicle ahead is detected, the headlights LO on condition is maintained.
am6xun00003980
Forward sensing camera (FSC) suddenly loses sight of light-emitting object within camera range (vehicles ahead, town/city streets (street lights))
• If the forward sensing camera (FSC) suddenly loses sight of a recognized light-emitting object in the camera range, the headlights LO on condition is maintained for a certain period of time.
• Depending on whether a light-emitting object is detected or not after the certain period of time has elapsed, the system determines that the headlights HI are to be turned on.
am6xun00003981