DETERMINING OPEN CIRCUIT LOCATION (CAN-BUS No.4) [(US)]
DETERMINING OPEN CIRCUIT LOCATION (CAN-BUS No.4) [(US)]
SM2566455
id1002x1002900
-
Caution
-
• Perform the following malfunction diagnosis only when it is diagnosed with a open circuit by CONTROLLER AREA NETWORK (CAN) MALFUNCTION DIAGNOSIS FLOW. (See CONTROLLER AREA NETWORK (CAN) MALFUNCTION DIAGNOSIS FLOW [(US)].)• If the malfunctioning part is detected in the communication line, before disconnecting the related connector for inspection, press the connector in the connection direction to verify that there is no looseness or disconnection.• When disconnecting the connector, verify that there is no damage, deformation, or corrosion of the connector terminals.
1.Verify the CAN system-related module DTCs and the module displayed in red or blue on the M-MDS screen.
2.Apply the communication error DTC and the module displayed in red or blue to the DTC output pattern and malfunctioning location, and select the possible cause for the diagnostic result and the reference for the inspection item. (See DTC Output Pattern And Malfunctioning Location)
-
Note
-
• The open circuit location can be determined by the DTC indicated in the DTC output pattern and malfunctioning location chart. DTCs not listed in the chart are not used for the determination of the open circuit location. (See DTC Output Pattern And Malfunctioning Location.)• The module may be displayed in red or blue on the M-MDS screen even if there is no malfunction depending on the vehicle specification.
3.Inspect the possible cause and inspection item of the applicable malfunctioning part.
DTC Output Pattern And Malfunctioning Location
Cross (×): Communication error-related DTC
|
M-MDS display |
DTC |
DTC output pattern and malfunctioning location |
|||
|---|---|---|---|---|---|
|
DTC output module |
|||||
|
PCM
|
U0101:00
|
||||
|
U0121:00
|
|||||
|
U0131:00
|
|||||
|
U0140:00
|
×
|
||||
|
U0151:00
|
|||||
|
U0155:00
|
|||||
|
U0164:00
|
|||||
|
U2121:00
|
|||||
|
U212E:00
|
|||||
|
U2131:00
|
×
|
×
|
|||
|
U2133:00
|
|||||
|
Electric parking brake control module / DSC HU/CM
|
U0100:00
|
||||
|
U0101:00
|
|||||
|
U0131:00
|
|||||
|
U0140:00
|
×
|
||||
|
U0151:00
|
|||||
|
U0155:00
|
|||||
|
U0164:00
|
|||||
|
U2121:00
|
|||||
|
U212E:00
|
|||||
|
U2131:00
|
×
|
×
|
|||
|
Electric parking brake control module / DSC HU/CM
|
U0100:00
|
||||
|
U0101:00
|
|||||
|
U0131:00
|
|||||
|
U0140:00
|
×
|
||||
|
U0151:00
|
|||||
|
U0155:00
|
|||||
|
U0164:00
|
|||||
|
U2121:00
|
|||||
|
U212E:00
|
|||||
|
U2131:00
|
×
|
×
|
|||
|
EPS control module
|
U0100:00
|
||||
|
U0121:00
|
|||||
|
U0140:00
|
×
|
||||
|
U2121:00
|
|||||
|
Vehicle control module (VCM)
|
U0100:00
|
||||
|
U0101:00
|
|||||
|
U0121:00
|
|||||
|
U0126:00
|
|||||
|
U0131:00
|
|||||
|
U0140:00
|
×
|
||||
|
U0151:00
|
|||||
|
U0155:00
|
|||||
|
U0156:00
|
|||||
|
U0164:00
|
|||||
|
U2120:00
|
|||||
|
U2122:00
|
|||||
|
U2123:00
|
|||||
|
U2125:00
|
|||||
|
U2126:00
|
×
|
×
|
|||
|
U212E:00
|
|||||
|
U2131:00
|
×
|
×
|
|||
|
U2132:00
|
|||||
|
U2133:00
|
|||||
|
U2139:00
|
×
|
×
|
|||
|
U213A:00
|
|||||
|
Body control module (BCM)
|
U0100:00
|
||||
|
U0101:00
|
|||||
|
U0115:00
|
|||||
|
U0121:00
|
|||||
|
U0121:87
|
|||||
|
U0126:00
|
|||||
|
U0131:00
|
|||||
|
U0151:00
|
|||||
|
U0155:00
|
|||||
|
U0156:00
|
|||||
|
U0158:00
|
|||||
|
U0164:00
|
|||||
|
U0182:00
|
|||||
|
U2121:49
|
|||||
|
U212A:00
|
|||||
|
U212C:00
|
|||||
|
U212D:00
|
|||||
|
U212E:00
|
|||||
|
U2131:00
|
×
|
×
|
|||
|
U2133:00
|
|||||
|
U213A:00
|
|||||
|
U213B:00
|
|||||
|
Connectivity master unit (CMU)
|
U0140:00
|
×
|
|||
|
Telematics communication unit
|
U0140:00
|
×
|
|||
|
U0151:00
|
|||||
|
U0164:00
|
|||||
|
U213C:00
|
|||||
|
Adaptive front lighting system (AFS) control module
|
U0122:87
|
||||
|
U0126:87
|
|||||
|
U212A:87
|
|||||
|
U212B:87
|
×
|
||||
|
U212D:87
|
|||||
|
Dash-electrical supply unit
|
U0100:00
|
||||
|
U0121:00
|
|||||
|
U0151:00
|
|||||
|
U212B:00
|
×
|
||||
|
U212E:00
|
|||||
|
U2131:00
|
×
|
×
|
|||
|
U2133:00
|
|||||
|
U213A:00
|
|||||
|
SAS control module
|
U0140:00
|
×
|
|||
|
U0155:00
|
|||||
|
U0156:00
|
|||||
|
TCM
|
U0100:00
|
||||
|
U0121:00
|
|||||
|
U0131:00
|
|||||
|
U0140:00
|
×
|
||||
|
U0155:00
|
|||||
|
U212C:00
|
|||||
|
M-MDS display module
|
Module displayed in red or blue
|
||||
|
ESU
|
×
|
×
|
|||
|
Rear side radar sensor (RH)
|
×
|
×
|
|||
|
Parking assist unit (ultrasonic)
|
×
|
×
|
|||
|
Diagnostic result
|
|||||
|
Possible cause and inspection item
|
|||||
A
Possible cause
-
• Connector terminal disconnection, poor contact, damage, deformation, corrosion• Electrical supply unit (ESU) power supply voltage or body ground malfunction• Open circuit in wiring harness between electrical supply unit (ESU) and connector C-59 (4SD)• Open circuit in wiring harness between electrical supply unit (ESU) and connector C-69 (5HB)• Connector C-59 malfunction (4SD)• Connector C-69 malfunction (5HB)• Electrical supply unit (ESU) malfunction
System wiring diagram
am3zzw00027566
|
Inspection item
-
• Electrical supply unit (ESU) power supply voltage-related wiring harness and fuse• Electrical supply unit (ESU) body ground related wiring harness• Electrical supply unit (ESU) connector• Wiring harness between electrical supply unit (ESU) terminal 1X and connector C-59 (4SD)• Wiring harness between electrical supply unit (ESU) terminal 1W and connector C-59 (4SD)• Wiring harness between electrical supply unit (ESU) terminal 1X and connector C-69 (5HB)• Wiring harness between electrical supply unit (ESU) terminal 1W and connector C-69 (5HB)• Connector C-59 (4SD)• Connector C-69 (5HB)• Electrical supply unit (ESU)
B
Possible cause
-
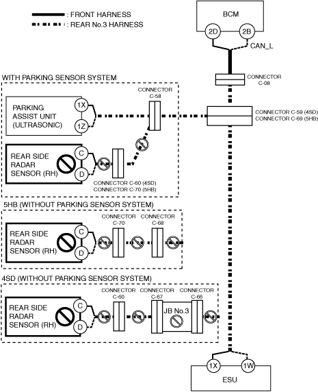
• Connector terminal disconnection, poor contact, damage, deformation, corrosion• Rear side radar sensor (RH) power supply voltage or body ground malfunction• Open circuit in wiring harness between rear side radar sensor (RH) and connector C-60 (4SD)• Open circuit in wiring harness between rear side radar sensor (RH) and connector C-70 (5HB)• Open circuit in wiring harness between connector C-60 and connector C-58 (4SD (with parking sensor system))• Open circuit in wiring harness between connector C-70 and connector C-58 (5HB (with parking sensor system))• Open circuit in wiring harness between connector C-70 and connector C-68 (5HB (without parking sensor system))• Open circuit in wiring harness between connector C-68 and connector C-69 (5HB (without parking sensor system))• Open circuit in wiring harness between connector C-60 and connector C-67 (4SD (without parking sensor system))• JB No.3 malfunction (4SD (without parking sensor system))• Open circuit in wiring harness between connector C-66 and connector C-59 (4SD (without parking sensor system))• Rear side radar sensor (RH) malfunction
System wiring diagram
am3zzw00027567
|
Inspection item
-
• Rear side radar sensor (RH) power supply voltage-related wiring harness and fuse• Rear side radar sensor (RH) body ground related wiring harness• Rear side radar sensor (RH) connector• Connector C-59 (4SD)• Connector C-69 (5HB)• Connector C-60 (4SD)• Connector C-70 (5HB)• Connector C-58 (with parking sensor system)• Connector C-68 (5HB (without parking sensor system))• Connector C-66 (4SD (without parking sensor system))• Connector C-67 (4SD (without parking sensor system))• Wiring harness between rear side radar sensor (RH) and connector C-60 (4SD)• Wiring harness between rear side radar sensor (RH) and connector C-70 (5HB)• Wiring harness between connector C-60 and connector C-58 (4SD (with parking sensor system))• Wiring harness between connector C-70 and connector C-58 (5HB (with parking sensor system))• Wiring harness between connector C-70 and connector C-68 (5HB (without parking sensor system))• Wiring harness between connector C-68 and connector C-69 (5HB (without parking sensor system))• Wiring harness between connector C-60 and connector C-67 (4SD (without parking sensor system))• JB No.3 (4SD (without parking sensor system))• Wiring harness between connector C-66 and connector C-59 (4SD (without parking sensor system))• rear side radar sensor (RH)
C
Possible cause
-
• Connector terminal disconnection, poor contact, damage, deformation, corrosion• Parking assist unit (ultrasonic) power supply voltage or body ground malfunction• Open circuit in wiring harness between parking assist unit (ultrasonic) and connector C-58• Open circuit in wiring harness between connector C-58 and connector C-59 (4SD)• Open circuit in wiring harness between connector C-58 and connector C-69 (5HB)• Connector C-58 malfunction• Connector C-59 malfunction (4SD)• Connector C-69 malfunction (5HB)• Parking assist unit (ultrasonic) malfunction
System wiring diagram
am3zzw00027568
|
Inspection item
-
• Parking assist unit (ultrasonic) power supply voltage-related wiring harness and fuse• Parking assist unit (ultrasonic) body ground related wiring harness• Parking assist unit (ultrasonic) connector• Wiring harness between connector C-58 and connector C-59 (4SD)• Wiring harness between connector C-58 and connector C-69 (5HB)• Wiring harness between parking assist unit (ultrasonic) terminal 1X and connector C-58• Wiring harness between parking assist unit (ultrasonic) terminal 1Z and connector C-58• Connector C-59 (4SD)• Connector C-69 (5HB)• Connector C-58• Parking assist unit (ultrasonic)
D
Possible cause
-
• Connector terminal disconnection, poor contact, damage, deformation, corrosion• Body control module (BCM) power supply voltage or body ground malfunction• Open circuit in wiring harness between body control module (BCM) and connector C-08• Open circuit in wiring harness between connector C-08 and connector C-59(4SD)• Open circuit in wiring harness between connector C-08 and connector C-69 (5HB)• Connector C-08 malfunction• Connector C-59 malfunction (4SD)• Connector C-69 malfunction (5HB)• Body control module (BCM) malfunction
System wiring diagram
am3zzw00027569
|
Inspection item
-
• Body control module (BCM) power supply voltage-related wiring harness and fuse• Body control module (BCM) body ground related wiring harness• Body control module (BCM) connector• Wiring harness between body control module (BCM) terminal 2D and connector C-08• Wiring harness between body control module (BCM) terminal 2B and connector C-08• Wiring harness between connector C-08 and connector C-59 (4SD)• Wiring harness between connector C-08 and connector C-69 (5HB)• Connector C-08• Connector C-59 (4SD)• Connector C-69 (5HB)• Body control module (BCM)



