Menu +
Generic selectors
Exact matches only
Search in title
Search in content
Post Type Selectors

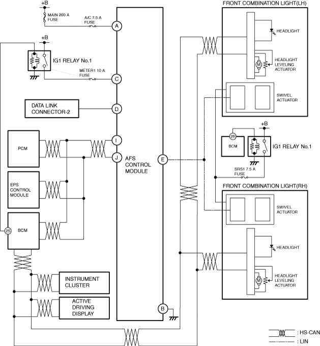
ADAPTIVE FRONT LIGHTING SYSTEM (AFS) CONTROL MODULE

ADAPTIVE FRONT LIGHTING SYSTEM (AFS) CONTROL MODULE

SM2334329


id151100001200



Purpose

• The adaptive front lighting system (AFS) control module calculates the target optical axis and sends the target optical axis signal to the headlight leveling actuator by using the LIN communication.
• The adaptive front lighting system (AFS) control module sends the target headlight optical axis signal to the swivel actuator by using the LIN communication according to the steering wheel operation while the headlights are turned on.



Function

• The adaptive front lighting system (AFS) control module performs control of the adaptive front lighting system (AFS) and headlight auto leveling system. The adaptive front lighting system (AFS) control module sends the target length signal for the auto leveling control to the light control module (LCM) by using the CAN communication via the body control module (BCM).
• The adaptive front lighting system (AFS) control module records the vehicle attitude angle while it is unoccupied.
• The new adaptive front lighting system (AFS) control module does not record the vehicle attitude angle while it is unoccupied.
• The adaptive front lighting system (AFS) control module reads the vehicle attitude angle information and records the vehicle attitude angle while it is unoccupied when the headlight auto leveling system initial setting is performed after the adaptive front lighting system (AFS) control module is replaced.
• Even if the battery is disconnected, the unoccupied vehicle attitude angle recorded by the adaptive front lighting system (AFS) control module is not erased.


Automatic configuration function

• The adaptive front lighting system (AFS) control module prior to replacement stores the vehicle specification information.
• A new adaptive front lighting system (AFS) control module does not store any vehicle specification information.
• When the ignition is switched ON (engine off or on) after the adaptive front lighting system (AFS) control module is replaced, the adaptive front lighting system (AFS) control module reads the vehicle specification information sent via CAN communication from the body control module (BCM) using the automatic configuration function, and stores it.


On-board diagnostic function

• The adaptive front lighting system (AFS) control module is equipped with an on-board diagnosis function which records DTCs in the event of a malfunction.
Malfunction detection function
• The adaptive front lighting system (AFS) control module detects a malfunction of the adaptive front lighting system (AFS) and headlight auto leveling system related parts.
• The adaptive front lighting system (AFS) control module detects a malfunction in the headlight circuit based on the circuit for the malfunction detection equipped in the front combination light.

am3zzn00008322
Display Function
• If any malfunction is detected, the exterior light warning light in the instrument cluster turns on to notify the driver of a system malfunction.
Burnt out bulb check function
• When the ignition is switched ON (engine off or on), the adaptive front lighting system (AFS) control module turns the LED headlight warning light on for approx. 3 sec and performs a burnt out bulb check.



Structure/Construction

• The adaptive front lighting system (AFS) control module is located inside the dashboard.

am3zzn00008323



Operation

• For the adaptive front lighting system (AFS) control module operation, refer to [ADAPTIVE FRONT LIGHTING SYSTEM (AFS)]. (See ADAPTIVE FRONT LIGHTING SYSTEM (AFS).)