Menu +
Generic selectors
Exact matches only
Search in title
Search in content
Post Type Selectors

FRONT CROSS TRAFFIC ALERT (FCTA) SYSTEM

FRONT CROSS TRAFFIC ALERT (FCTA) SYSTEM

SM2334326


id151000006900



Outline

• The front cross traffic alert (FCTA) is designed to assist the driver in checking both sides of the vehicle when the vehicle starts to drive at an intersection.
• The front cross traffic alert (FCTA) detects vehicle approaching from the blind spots on the front left and right sides of the vehicle when the vehicle starts to drive at an intersection, and notifies the driver of possible danger using the warning indication on the display and the warning sound.
am3zzn00008584



Structural View

am3zzn00008585



Functions

• The front cross traffic alert (FCTA) system detects vehicles approaching from the blind spots on the front left and front right sides of the vehicle when the vehicle starts to drive at an intersection.
• The front cross traffic alert (FCTA) system notifies the driver of possible danger using the warning indication on the display and the warning sound.


System check

• When the ignition is switched ON (engine off or on), the system checks the conditions for approx. 3 sec. During the system check, the i-ACTIVSENSE Warning Lamp turns on, and then off when the system check is finished. If a system malfunction is found, the i-ACTIVSENSE Warning Lamp remains turned on.


System conditions display function

• The body control module (BCM) displays the system conditions using the the instrument cluster, the active driving display and the center display.

System condition

i-ACTIVSENSE status symbol

i-ACTIVSENSE OFF symbol

Warning buzzer

Multi-information display

Active driving display

Center display

Right after ignition is switched ON (engine off or on)
(System check)
On
( Approx. 3 sec)
Off
Off
No display
No display
No display
Vehicle is stopped
No vehicle in alert area
Off
Off
No display
No display
No display
Warning1
Detected approaching vehicle in alert area of left side, or detected vehicle which will reach alert area front end within 3 sec
Off
Off
Warning1
Detected approaching vehicle in alert area of right side, or detected vehicle which will reach alert area front end within 3 sec
Off
Off
Warning1
Detected approaching vehicle in alert area of both sides, or detected vehicle which will reach alert area front end within 3 sec
Off
Off
Vehicle is being driven at less than approx. 10km/h {6 mph}
Warning2
Detected approaching vehicle in alert area of left side, or detected vehicle which will reach alert area front end within 2 sec
Off
On
Warning2
Detected approaching vehicle in alert area of right side, or detected vehicle which will reach alert area front end within 2 sec
Off
On
Warning2
Detected approaching vehicle in alert area of both sides, or detected vehicle which will reach alert area front end within 2 sec
Off
On
Front cross traffic alert (FCTA) OFF (non-operational)
System is OFF (non-operational)
Off
Off
No display
No display
No display
Blind spot monitoring (BSM) system malfunction occurred
Off
Off
No display
Warning display



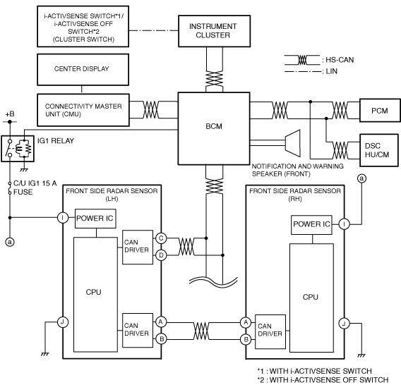
System wiring diagram

am3zzn00008604



Operation

Warning
• The front cross traffic alert (FCTA) system assists the driver in confirming the front side area. Because of the various restrictions in the system operations, a warning may not occur or it may be delayed even if there is a vehicle in front side. Do not rely completely on the system and always take responsibility as the driver in confirming the front area.
Caution
• The system may operate under the following conditions even if a vehicle is not approaching.
― An object that reflects the radio waves of the radar such as a parked vehicle, guardrail, or wall is directly next to your vehicle.
― Vehicles are stopped in the area around your vehicle such as during heavy traffic.
― A vehicle approaching from the front or side of your vehicle slows down.
― A vehicle approaching from the front or left side of your vehicle makes a right or left turn directly in front of your vehicle.
― A vehicle or pedestrian moves in the parking lot or on the sidewalk in the area surrounding your vehicle.
― After making a left or right turn, an on-coming vehicle is present.
― When passing an on-coming vehicle.
― A vehicle overtakes your vehicle while it is stopped.
― Your vehicle is in an area where strong radio waves or electrical noise may occur such as near a television tower or power plant.
• Under the following conditions, the front side radar sensor cannot detect approaching vehicles or it might be difficult to detect them, and the system may not operate normally.
― The front side radar sensor detection area is obstructed by a nearby wall or vehicle.
― Directly after the system becomes operable.
― Radio wave interference from a radar sensor equipped on a nearby vehicle.
― The approaching vehicle has any of the following shapes.
a. The size of the vehicle body is extremely small
b. The vehicle height is extremely low or high
c. A special type of vehicle with a complex shape
― A vehicle suddenly enters the detection area from the front or side of your vehicle.
― A vehicle that has stopped suddenly starts to move.
― Multiple objects move at the same time.
― The vehicle is driven in bad weather conditions such as heavy rain, fog, snow, or sand storms.
― The vehicle is driven on a sharp curve or on bumpy roads.
― An object that reflects the radio waves of the radar such as a parked vehicle, guardrail, or wall is directly next to your vehicle.
― A vehicle approaches while turning (Such as roundabout)
― The vehicle is driven at an extremely slow speed.
• In the following cases, the system turns on the i-ACTIVSENSE warning indication/warning light and operation of the system is stopped. If the i-ACTIVSENSE warning indication/warning light remains on, have the vehicle inspected by an Authorized Mazda Dealer as soon as possible.
― Some problem with the system has occurred.
― The front side radar sensor installation position is greatly deviated.
― There is a large accumulation of snow or ice on the front bumper near a front side radar sensor.
― The temperature near the radar sensors becomes extremely hot due to driving for a long time on slopes during the summer.
― The battery voltage has decreased.
― The front side radar sensor of the FCTA may be regulated under the radio wave related laws of the country where the vehicle is driven. If this system is used abroad, it may be necessary to turn off the system.


Front cross traffic alert (FCTA) operation

• When all of the following conditions are met, the front cross traffic alert (FCTA) function goes on standby.
Preconditions
― Front cross traffic alert (FCTA) system is operating
― Front cross traffic alert (FCTA) system is normal
• The warning is activated if the following condition is met.
Operation condition
Warning 1
― An approaching vehicle is detected which will pass over the alert line within 3 sec.
Warning 2
• Vehicle starts to run when an approaching vehicle is detected which will pass over the alert line within 2 sec.
• If any of the following conditions is met, the front cross traffic alert (FCTA) function stops.
Stop conditions
― Front cross traffic alert (FCTA) system is stopped
― Front cross traffic alert (FCTA) system has a malfunction
If an approaching vehicle is on the left side
1. When the preconditions are met, the front side radar sensor emits electromagnetic wave and starts detecting approaching vehicles.
2. If the front side radar sensor (LH) detect approaching vehicle, it sends FCTA signal (1) to the instrument cluster, the active driving display and the connectivity master unit (CMU) via body control module (BCM). The body control module (BCM) outputs the warning sound signal (2) to the Notification and Warning Speaker (Front) and the Notification and Warning Speaker (Front) sounds a warning.
3. Based on the FCTA signal (1), the instrument cluster displays the warning indication (2) in the multi-information display, the active driving display displays the warning indication (2) on the windshield, and the connectivity master unit (CMU) displays the warning indication (2) on the center display.
4.

am3zzn00008605
If an approaching vehicle is on the right side
1. When the preconditions are met, the front side radar sensor emits electromagnetic wave and starts detecting approaching vehicles.
2. When the front side radar sensor (RH) detects an approaching vehicle, it sends (1) the object information to the front side radar sensor (LH).
3. If the front side radar sensor (LH) determines the approaching vehicle, it sends a FCTA signal (2) to the instrument cluster, active driving display and connectivity master unit (CMU) via the body control module (BCM). The body control module (BCM) outputs the warning sound signal (2) to the Notification and Warning Speaker (Front) and the Notification and Warning Speaker (Front) sounds a warning.
4. Based on the FCTA signal (2), the instrument cluster displays the warning indication (3) in the multi-information display, the active driving display displays the warning indication (3) on the windshield and the connectivity master unit (CMU) displays the warning indication (3) on the center display.
5.

am3zzn00008606