Menu +
Generic selectors
Exact matches only
Search in title
Search in content
Post Type Selectors

ADAPTIVE FRONT LIGHTING SYSTEM (AFS)

ADAPTIVE FRONT LIGHTING SYSTEM (AFS)

SM2334314


id151000002700



Outline

• The adaptive front lighting system (AFS) is a system which enhances the range of visibility when the headlights are turned on by pointing the optical axis of the headlights in the direction in which the vehicle is advancing according to the steering operation.



Structural View


System structure

am3zzn00008519



Function

• The adaptive front lighting system (AFS) is controlled by the adaptive front lighting system (AFS) control module.


Swivel function

• The adaptive front lighting system (AFS) control module changes the optical axis to the direction in which the vehicle is travelling according to the steering wheel operation and vehicle speed while the headlights are turned on.
• The adaptive front lighting system (AFS) control module controls the swivel function based on the following CAN signals.

Signal name

Sending module/part name

Communication method

Steering angle (absolute steering angle) signal
Steering Angle Sensor
HS-CAN
Steering angle (estimated absolute steering angle) signal
EPS control module
Vehicle speed signal
DSC
Ignition switch status signal
Body Control Module (BCM)
Back-up light on request signal
TCM
Headlight illumination status signal
Instrument Cluster


Initial position learning function

• When the ignition is switched ON (engine on) at a vehicle speed of 0 km/h {0 mph}, the adaptive front lighting system (AFS) control module calculates the initial position of the swivel actuator for left/right operation, and the headlight optical axis stops at the front position.
• The adaptive front lighting system (AFS) control module controls the initial position learning function based on the following CAN signals.

Signal name

Sending module/part name

Communication method

Vehicle speed signal
DSC
HS-CAN
Ignition switch status signal
Body Control Module (BCM)


Personalization feature

• The adaptive front lighting system (AFS) can be set to ON (enabled)/OFF (disabled) (initial setting is ON (enabled)). For details on the personalization features, refer to the [PERSONALIZATION FEATURES]



Structure/Construction

• The swivel actuator for adjusting the optical axis is built into the front combination light, and it is an integrated construction with the headlights.
• The swivel actuator has an internal Hall sensor and sends the current position of the headlight to the adaptive front lighting system (AFS) control module.
• The variation (swivel angle) of the optical axis of the headlights is 15 degrees for the right and left.
• Changes in the headlight optical axis (swivel angle) are controlled freely (non-step) based on the vehicle speed and the steering angle, and the swivel angle differs for each of the conditions.
• The steering wheel angle amount changes according to the vehicle speed until reaching the maximum value of the swivel angle ( 15 degrees).
am3zzn00008520


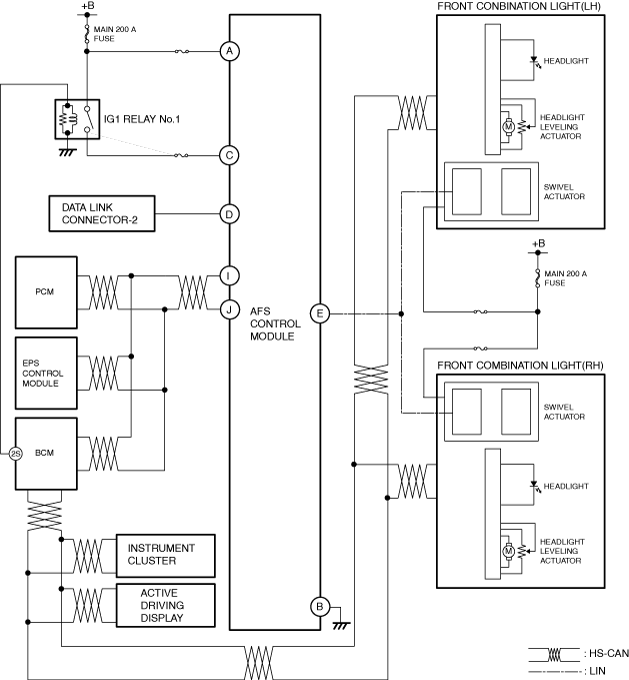
System wiring diagram

am3zzn00008521



Operation


Swivel function

• When the ignition is switched ON (engine off or on), the adaptive front lighting system (AFS) control module constantly calculates the swivel actuator control amount based on the steering angle signal and vehicle speed signal.
• If the following operation conditions are met, the adaptive front lighting system (AFS) control module controls the swivel actuator based on the calculated amount of control, and adjusts the headlight optical axis.

Operation condition

Item

Condition

Initial position learning
After normal completion
Headlight
ON (illumination)
Gear position signal
• Except R position (ATX)
• Except reverse position (MTX)
Vehicle speed
Control start: 2 km/h {1 mph} or more
• The swivel actuator drives the motor based on the signal from the adaptive front lighting system (AFS) control module.
• Changes in the swivel angle of the headlights are detected by the Hall sensor and input to the adaptive front lighting system (AFS) control module.
am3zzn00008522