POWER WINDOW SYSTEM [(US)]
POWER WINDOW SYSTEM [(US)]
SM2565480
id0912000122x1
Outline
Function
Manual open/manual close function
-
• When the power window main switch or subswitch is operated for manual operation, the front door glass/rear door glass performs manual open/manual close operation.
Auto open/auto close function
-
• When the power window main switch is operated for auto operation, all door glass perform auto open/auto close operation.• When the power window subswitch is operated for auto operation, the passenger’s side front door glass/rear door glass performs auto open/auto close operation.
IG OFF timer function
-
• The front door glass/rear door glass can be opened/closed using the power window main switch for approx. 40 s after the ignition is switched from ON (engine on or off) to ACC or OFF.
Auto reverse pinch protection function
-
• If an obstruction by a foreign object is detected during the auto close operation, the operation changes from close to open.
Fully-closed position record function
-
• The door-electrical supply unit records the fully-closed position of the front door glass/rear door glass so that the auto reverse pinch protection function does not operate when the front door glass/rear door glass is fully closed.
Structural View
am3zzn00006944
|
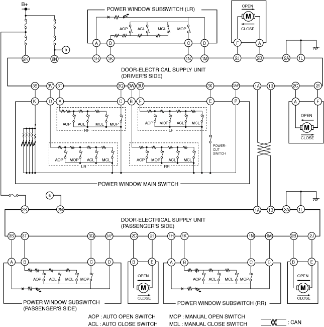
System Wiring Diagram
am3zzn00009899
|
Operation
Operation of driver’s side manual open/close function (Example: manual close operation)
-
1. When the power window main switch is operated for manual close operation, the manual close switch is switched (1).2. When the door-electrical supply unit driver detects the manual close signal, the power window motor (driver’s side) performs a close operation (2).
am3zzn00007812
|
Operation of auto open/close function (Example: auto open operation)
-
1. When the power window main switch is operated for auto open operation, the auto open switch and the manual open switch are switched (1).2. When the door-electrical supply unit driver detects the auto open signal, the power window motor (driver’s side) performs an auto open operation (2).
am3zzn00007813
|
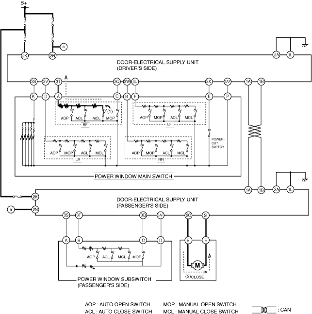
Operation of front passenger’s side and rear manual open/close function from driver’s side (Example: front passenger’s side close operation)
-
1. When the passenger’s side switch is operated for manual close operation by the power window main switch, the manual close switch is switched (1).2. When the door-electrical supply unit passenger detects a manual close signal, the power window motor (passenger’s side) performs a close operation (2).
am3zzn00009900
|
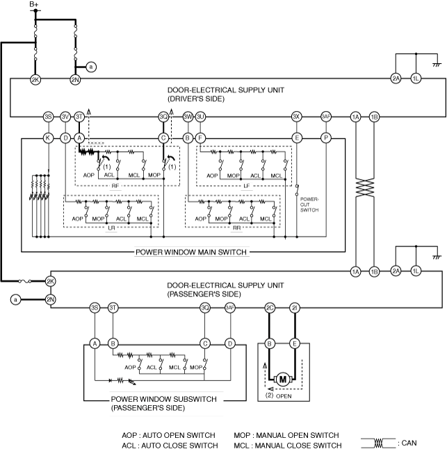
Operation of front passenger’s side and rear auto open/close function from driver’s side (Example: front passenger’s auto open operation)
-
1. When the passenger’s side switch is operated for auto open operation by the power window main switch, the auto open switch and the manual open switch are switched (1).2. When the door-electrical supply unit passenger detects an auto open signal, the power window motor (passenger’s side) performs an auto open operation (2).
am3zzn00009901
|
Operation of front passenger’s side and rear open/close function (Example: front passenger’s manual close operation)
-
1. When the power window subswitch is operated for manual close operation, the manual close switch is switched (1).2. When the door-electrical supply unit passenger detects a manual close signal, the power window motor (passenger’s side) performs a close operation (2).
am3zzn00009232
|
Operation of front passenger’s side and rear auto open/close function (Example: front passenger’s auto open operation)
-
1. When the power window subswitch is operated for auto open operation, the auto open switch and the manual open switch are switched (1).2. When the door-electrical supply unit passenger detects an auto open signal, the power window motor (passenger’s side) performs an auto open operation (2).
am3zzn00009233
|
Fully-closed position record function
1.When the ignition is switched ON (engine off or on), and the switch is pulled and held for approx. 2 s after the door glass is fully closed from the fully opened position, the door-electrical supply unit records the door glass position.
-
• Performing the following procedures will reset the initial setting and disables auto operation, therefore perform the initial setting.
-
― Door-electrical supply unit is replaced― Inching operation is performed 10 times using power window main switch or power window subswitch
-
Operation of auto reverse pinch protection function
1.When the door-electrical supply unit detects a change in the power window motor current for 0.3 s or more during the auto close operation, it reverses the power window motor and the door glass opens approx. 200 mm {7.87 in} automatically.







