KEYLESS ENTRY SYSTEM [(US)]
KEYLESS ENTRY SYSTEM [(US)]
SM2565487
id0914001094x1
Outline
Function
-
― Locking/unlocking using a remote transmitter
-
― Trunk lid opening using remote transmitter
-
― Auto re-lock function: After unlocking, if any door or the trunk lid/liftgate is not opened and a period of time according to the personalization setting has elapsed, all doors are automatically locked.― Remote transmitter pause function: All the functions of the remote transmitter other than the remote transmitter used for the door lock are paused.― Alert function: If the system is operated incorrectly which results in a possible problem occurring, the system warns the user by using the indicator light, warning light, multi-information display in the instrument cluster.
Remote transmitter battery voltage low indication function
-
• This function notifies the user that the battery voltage of the remote transmitter is low.
Structural View
am3zzn00008223
|
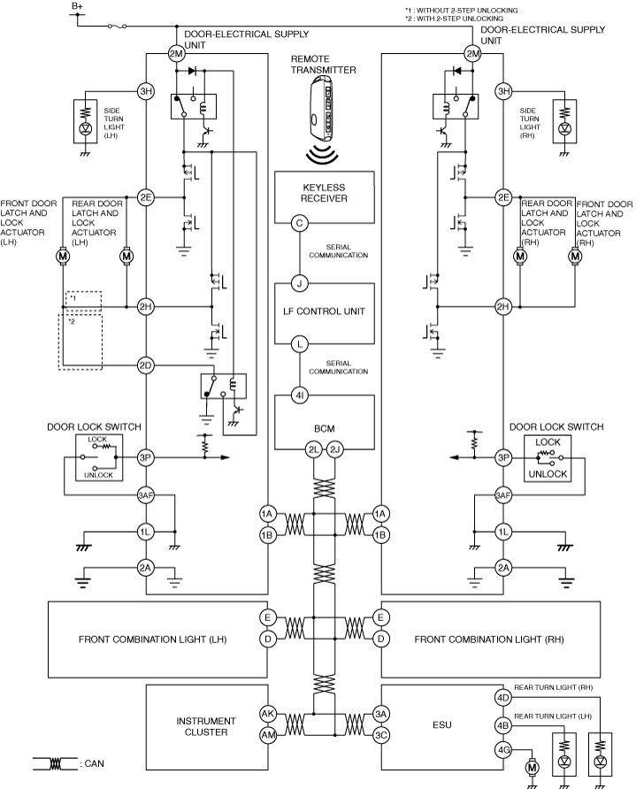
System Wiring Diagram
ac30zn00000582
|
Operation
Lock/unlock operation using remote transmitter
-
Note
-
• If the lock button of the remote transmitter is operated when all of the following conditions are met, all the doors are locked.
-
― Ignition is switched off (engine off)
• If the unlock button of the remote transmitter is operated when all of the following conditions are met, all the doors are unlocked.-
― Ignition is switched off (engine off)
-
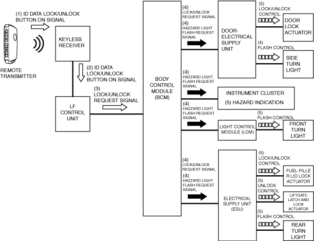
1.When the lock or unlock button of the remote transmitter is pressed, the remote transmitter transmits ID data and lock/unlock button on signal (1) by electromagnetic wave.
2.If the keyless receiver receives ID data and lock/unlock button on signal, it transmits ID data and lock/unlock button on signal (2) to the LF control unit using SERIAL communication. LF control unit verifies the key ID number and if the ID data matches, it sends a lock/unlock request signal (3) to the body control module (BCM) using SERIAL LFU (UART) communication.
3.The body control module (BCM) sends a lock/unlock request signal (4) to the door-electrical supply unit (driver’s side), door-electrical supply unit (passenger’s side) and electrical supply unit (ESU) using CAN communication.
4.The door-electrical supply unit (driver’s side) and door-electrical supply unit (passenger’s side) operates (5) the front/rear door lock actuator motor to lock/unlock the f.ront/rear doors.
5.The electrical supply unit (ESU) operates (5) the liftgate latch and lock actuator motor and fuel-filler lid lock actuator motor to unlock the liftgate and lock/unlock the fuel-filler lid.
6.At the same time as the door lock/unlock operation, it sends a hazard light flash request signal (4) to the instrument cluster, light control module (LCM), door-electrical supply unit (driver’s side), door-electrical supply unit (passenger’s side), and electrical supply unit (ESU) as a CAN signal.
7.The instrument cluster controls the hazard indicator (5) and the light control module (LCM), the door-electrical supply unit (driver’s side), the door-electrical supply unit (passenger’s side), the electrical supply unit (ESU) controls (5) the hazard lights to flash for the following number of times to signal.
-
• Lock: Flashed once• Unlock: Flashed twice
ac30zn00000547
|
Trunk lid opening operation using remote transmitter
-
Note
-
• The trunk lid opens when the trunk lid open button on the remote transmitter is pressed with the ignition switched OFF (engine off).
1.When the trunk lid open button is pressed for approx. 0.5 sec, the remote transmitter transmits ID data and trunk lid open button on signal (1) to the keyless receiver by electromagnetic wave.
2.If the keyless receiver receives ID data and trunk lid open button on signal, it transmits the ID data and trunk lid open button on signal (2) to the LF control unit using SERIAL communication. The LF control unit verifies the key ID number and if the ID data matches, it sends a trunk lid release request signal (3) to the body control module (BCM) using SERIAL LFU (UART) communication.
3.The body control module (BCM) sends a trunk lid release request signal (4) to the electrical supply unit (ESU) using CAN communication.
4.When the electrical supply unit (ESU) receives a trunk lid release request signal, it operates (5) the trunk lid latch and release actuator motor to release the trunk lid.
am3zzn00009840
|
Auto re-lock function operation
-
• After the body control module (BCM) sends an unlock request signal to the door-electrical supply unit (driver’s side) and door-electrical supply unit (passenger’s side), if any of the following operations is not performed in 30 sec *1, it sends a lock request signal to the door-electrical supply unit (driver’s side) and door-electrical supply unit (passenger’s side) to lock the front/rear doors.
-
― A door or the trunk lid/liftgate is opened― A lock/unlock operation is performed using the remote transmitter.― The ignition is switched to ACC or ON (engine off).― A lock/unlock operation is performed using the touch sensor.― The door-lock knob of driver’s side is pressed.
-
Remote transmitter pause function operation
-
When door locking is performed
-
1. If a lock signal is input with a remote transmitter detected inside the vehicle, the body control module (BCM) sends a request signal using the outside/inside keyless antennas connected to the LF control unit.2. When the remote transmitter inside the vehicle sends the ID data to the keyless receiver, the keyless receiver transmits the received ID data to the body control module (BCM) via the LF control unit.3. The body control module (BCM) receives the ID data, it suspends the functions of the transmitter inside the vehicle.
-
When the trunk lid/liftgate is closed
-
1. When the trunk lid/liftgate is closed with all the following conditions met, the body control module (BCM) sends a request signal using the interior keyless antennas connected to the LF control unit.
-
― All doors are locked.― The trunk lid/liftgate is open.― The body control module (BCM) identifies a remote transmitter inside the vehicle.
2. When the remote transmitter inside the vehicle sends the ID data to the keyless receiver, the keyless receiver transmits the received ID data to the body control module (BCM) via the LF control unit.3. The body control module (BCM) receives the ID data, it suspends the functions of the transmitter inside the vehicle. -
-
Remote transmitter pause cancel operation
-
• The functions of the paused remote transmitter are restored when the following conditions are met:
-
― A remote transmitter with which the engine can be started is brought inside the vehicle.― The lock/unlock button on the paused remote transmitter is pressed.
-
Alert function operation
-
• Under the conditions in the table below, the body control module (BCM) sends a security warning request signal via CAN communication to the instrument cluster.
-
• When the instrument cluster receives the security warning request signal, it displays the warning indicator in the multi-information display or it flashes the KEY warning light.
|
Condition |
keyless beeper |
Instrument cluster |
||
|---|---|---|---|---|
|
Keyless warning alarm |
KEY warning light (red) |
Multi-information display |
||
|
Keyless entry system malfunction
|
―
|
―
|
On
|
![]() |
|
Driver’s door is opened with ignition in ACC
|
―
|
ON
|
―
|
![]() |
|
Remote transmitter cannot be detected inside vehicle when all doors are closed with ignition not switched off (LOCK)
|
Sounds 6 times
|
ON
|
Flash
|
![]() |
Remote transmitter battery voltage low indication function operation
-
• When the ignition is switched from ON to off (engine off) under the condition indicated in the table, the body control module (BCM) sends a battery voltage low indication request signal to the instrument cluster as a CAN signal.• When the instrument cluster receives the battery voltage depletion display request signal, it performs the remote transmitter battery voltage low indication in the multi-information display or it flashes the KEY indicator light.
|
Condition |
Instrument cluster |
|
|---|---|---|
|
KEY indicator light (green) |
Multi-information display |
|
|
Body control module (BCM) receives code for low remote transmitter battery voltage *1
|
Flash (for approx. 30 sec after ignition switched off)
|
![]() |







