ADVANCED KEYLESS ENTRY SYSTEM [(US)]
ADVANCED KEYLESS ENTRY SYSTEM [(US)]
SM2565485
id0914001074x1
Outline
Function
-
― Locking/unlocking using touch sensor on outer door― Locking/unlocking using remote transmitter― Trunk lid opening using remote transmitter― Opening trunk lid
-
― Auto re-lock function: After unlocking, if any door or the trunk lid is not opened and a period of time according to the personalization setting has elapsed, all doors are automatically locked.― Out-of-area (reception area) type auto lock function: After closing all doors, when the remote transmitter is brought out of the reception area of the keyless antenna, all doors are automatically locked.― Remote transmitter pause function: If all doors are locked with a transmitter left in the vehicle, the functions of the remote transmitter inside the vehicle are paused.― Remote transmitter left-in-vehicle prevention function: If the trunk lid is closed with a remote transmitter left in the vehicle, the trunk lid can be opened by pressing the trunk lid opener switch.― Alert function: If the system is operated incorrectly which results in a possible problem occurring, the system warns the user by using the indicator light, warning light, multi-information display, and buzzer in the instrument cluster, or by using the keyless beeper.
Remote transmitter battery voltage low indication function
-
• This function signals the user that the battery voltage of the remote transmitter is low.
Structural View
am3zzn00008227
|
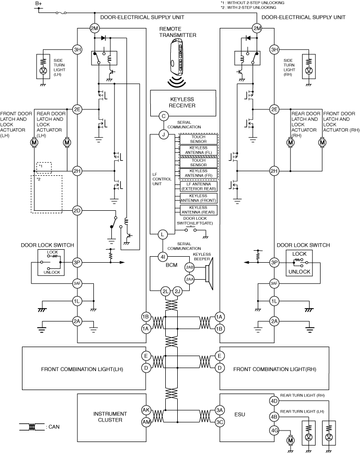
System Wiring Diagram
ac30zn00000581
|
Operation
Lock/unlock operation using touch sensor on outer handle
-
Note
-
• Lock/unlock operation is performed when a touch sensor on an outer handle is touched with all the following conditions met.
-
― Ignition is switched OFF (engine off)― All doors are closed― The remote transmitter is within the reception area outside the vehicle.
-
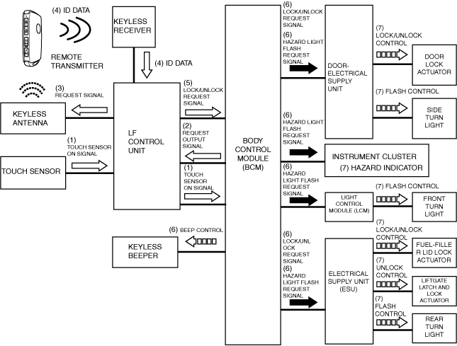
1.When the driver’s or the front passenger’s touch sensor is touched, a touch sensor on signal (1) is sent from the LF control unit to the body control module (BCM) using SERIAL LFU (UART) communication.
2.Based on the touch sensor on signal, the body control module (BCM) sends a request output signal (2) to the LF control unit using SERIAL LFU (UART) to verify that the remote transmitter is inside the reception area.
3.The LF control unit sends a request signal (3) from the keyless antenna of the door in which the touch sensor was touched to all keyless antennas for the vehicle interior using an electromagnetic wave.
4.The remote transmitter receives the request signal from the outside antenna, and sends ID data (4) to the keyless receiver using an electromagnetic wave.
5.The keyless receiver transmits the received ID data to the LF control unit using SERIAL communication. The LF control unit verifies the key ID number and if the ID data matches, it sends a lock/unlock request signal (5) to the body control module (BCM) using SERIAL LFU (UART) communication.
6.The body control module (BCM) sends a lock/unlock request signal (6) to the door-electrical supply unit (driver’s side) and door-electrical supply unit (passenger’s side) using CAN communication.
7.When the door-electrical supply unit (driver’s side) and door-electrical supply unit (passenger’s side) receive the lock/unlock signal, it operates (7) the front/rear door lock actuator motor to lock/unlock the front/rear doors.
-
Note
-
• It takes approx. 1—2 s from when a touch sensor is touched until the lock/unlock operation is completed.• If the 2-step unlocking function is available and the unlock function is operated by the touch sensor of the driver’s side, only the driver’s door unlock.
8.When the electrical supply unit (ESU) receive the lock/unlock signal, it operates (7) the liftgate latch and lock actuator motor and fuel-filler lid lock actuator motor to unlock the liftgate and lock/unlock the fuel-filler lid.
9.All the same time as the door lock/unlock operation, the body control module (BCM) sends a hazard light flash request signal (6) to the instrument cluster, the light control module (LCM), the door-electrical supply unit (driver’s side), the door-electrical supply unit (passenger’s side), and the electrical supply unit (ESU) as a CAN signal.
10.The body control module (BCM) operates (7) the keyless beeper for the following number of times:
-
― When locking: Keyless beeper sounds once― When unlocking: Keyless beeper sounds twice
11.When the instrument cluster, the light control module (LCM), the door-electrical supply unit (driver’s side), the door-electrical supply unit (passenger’s side), and the electrical supply unit (ESU) receive the hazard light flash request signal, the instrument cluster controls (7) the hazard indicator and the light control module (LCM), the door-electrical supply unit (driver’s side), the door-electrical supply unit (passenger’s side), and electrical supply unit (ESU) controls (7) the hazard light.
-
― When locking: Hazard light flashes once― When unlocking: Hazard light flashes twice
ac30zn00000624
|
Lock operation using door lock switch (liftgate)
-
Note
-
• If the door lock switch of the liftgate is operated when all of the following conditions are met, all the doors are locked.
-
― Ignition is switched OFF (engine off)― All doors are closed― The remote transmitter is within the reception area outside the vehicle.
-
1.When the door lock switch (liftgate) is operated, a door lock signal (1) is sent from the LF control unit to the body control module (BCM) using SERIAL LFU (UART) communication.
2.Based on the door lock switch on signal, the body control module (BCM) sends a request output signal (2) to the LF control unit using SERIAL LFU (UART) to verify that the remote transmitter is inside the reception area.
3.The LF control unit sends a request signal (3) from the keyless antenna of the door using an electromagnetic wave.
4.The remote transmitter receives the request signal from the outside antenna, and sends ID data (4) to the keyless receiver using an electromagnetic wave.
5.The keyless receiver transmits the received ID data to the LF control unit using SERIAL communication. the LF control unit verifies the key ID number and if the ID data matches, it sends a lock request signal (5) to the body control module (BCM) using SERIAL LFU (UART) communication.
6.The body control module (BCM) sends a lock request signal (6) to the door-electrical supply unit (driver’s side), door-electrical supply unit (passenger’s side) and electrical supply unit (ESU) using CAN communication.
7.When the door-electrical supply unit (driver’s side) and door-electrical supply unit (passenger’s side) receive the lock request signal, it operates (7) the front/rear door lock actuator motor to lock the front/rear doors.
8.When the electrical supply unit (ESU) receive the lock request signal, it operates (7) the fuel-filler lid lock actuator motor to lock the fuel-filler lid.
9.At the same time as the door lock operation, the body control module (BCM) sends a hazard light flash request signal (6) to the instrument cluster, the light control module (LCM), the door-electrical supply unit (driver’s side), the door-electrical supply unit (passenger’s side), and the electrical supply unit (ESU) as a CAN signal.
10.The body control module (BCM) operates (6) the keyless beeper (sounds once).
11.When the instrument cluster, the light control module (LCM), the door-electrical supply unit (driver’s side), the door-electrical supply unit (passenger’s side), and the electrical supply unit (ESU) receives the hazard light flash request signal, the instrument cluster controls (7) the hazard indicator and the light control module (LCM), the door-electrical supply unit (driver’s side), the door-electrical supply unit (passenger’s side), and the electrical supply unit (ESU) controls (7) the hazard light (flashes once).
ac30zn00000548
|
Lock/unlock operation using remote transmitter
-
Note
-
• The lock/unlock operation is performed when the lock button of the remote transmitter is pressed with all the following conditions met.
-
― Ignition is switched OFF (engine off)― The remote transmitter is within the operable range
-
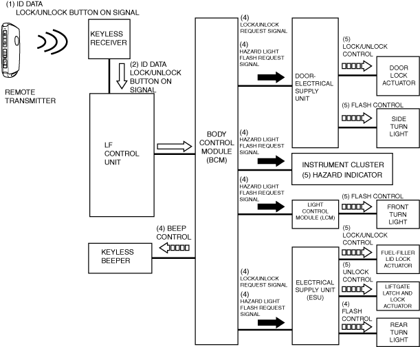
1.When the lock or unlock button of the remote transmitter is pressed, the remote transmitter sends ID data and lock/unlock button on signal (1) using an electromagnetic wave.
2.When the keyless receiver receives ID data and lock/unlock button on signal, it transmits the ID data and lock/unlock button on signal (2) to the LF control unit using SERIAL communication. The LF control unit verifies the key ID number and if the ID data matches, it sends a lock/unlock request signal (3) to the body control module (BCM) using SERIAL LFU (UART) communication.
3.The body control module (BCM) sends a lock/unlock request signal (4) to the door-electrical supply unit (driver’s side) and door-electrical supply unit (passenger’s side) and electrical supply unit (ESU) using CAN communication.
4.The door-electrical supply unit (driver’s side) and door-electrical supply unit (passenger’s side) operates (5) the front/rear door lock actuator motor to lock/unlock the front/rear doors.
5.The electrical supply unit (ESU) operates (5) the liftgate latch and lock actuator motor and fuel-filler lid lock actuator motor to unlock the liftgate and lock/unlock the fuel-filler lid.
6.At the same time as the door lock/unlock operation, the body control module (BCM) sends a hazard light flash request signal (4) to the instrument cluster, the light control module (LCM), the door-electrical supply unit (driver’s side), the door-electrical supply unit (passenger’s side), and the electrical supply unit (ESU) as a CAN signal.
7.The body control module (BCM) operates (4) the keyless beeper for the following number of times:
-
― When locking: Keyless beeper sounds once― When unlocking: Keyless beeper sounds twice
8.The instrument cluster control (4) the hazard indicator and the light control module (LCM), the door-electrical supply unit (driver’s side), the door-electrical supply unit (passenger’s side), and the electrical supply unit (ESU) controls (4) the hazard light.
-
― When locking: Hazard light flashes once― When unlocking: Hazard light flashes twice
ac30zn00000549
|
Trunk lid opening operation using remote transmitter
-
Note
-
• The trunk lid opens when the trunk lid open button on the remote transmitter is pressed with the ignition switched OFF (engine off).
1.When the trunk lid open button is pressed for approx. 0.5 sec, the remote transmitter sends ID data and trunk lid open button on signal (1) to the keyless receiver using an electromagnetic wave.
2.If the keyless receiver receives ID data and trunk lid open button on signal, it transmits the ID data and trunk lid open button on signal (2) to the LF control unit using SERIAL communication. The LF control unit verifies the key ID number and if the ID data matches, it sends a trunk lid release request signal (3) to the body control module (BCM) using SERIAL LFU (UART) communication.
3.The body control module (BCM) sends (4) a trunk lid release request signal to the electrical supply unit (ESU) using CAN communication.
4.When the electrical supply unit (ESU) receives a trunk lid release request signal, it operates (5) the trunk lid latch and release actuator motor to release the trunk lid.
am3zzn00009511
|
Trunk lid/liftgate opening operation using trunk lid/liftgate opener switch (exterior)
1.When the trunk lid/liftgate opener switch (exterior) is pressed, a trunk lid/liftgate open signal (1) is input to the body control module (BCM).
2.Based on the trunk lid/liftgate open signal, the body control module (BCM) sends a request output signal (2) to the LF control unit to verify that the remote transmitter is inside the reception area.
3.Based on the request output signal from the body control module (BCM), the LF control unit outputs a request signal (3) using the keyless antenna inside the rear bumper.
4.The remote transmitter receives the request signal from the antenna (outside, rear), and sends ID data (4) to the keyless receiver.
5.If the keyless receiver receives ID data, it transmits the received ID data (4) to the LF control unit using SERIAL communication. The LF control unit verifies the key ID number and if the ID data matches, it sends a trunk lid/liftgate release signal (5) to the body control module (BCM) using SERIAL LFU (UART) communication.
6.The body control module (BCM) sends a trunk lid/liftgate release signal (6) to the electrical supply unit (ESU).
7.When the electrical supply unit (ESU) receives the trunk lid/liftgate release signal, it operates (7) the trunk lid latch and release actuator/liftgate latch and lock actuator motor to release the trunk lid/liftgate.
am3zzn00009845
|
Auto re-lock function operation
-
• After the body control module (BCM) sends an unlock request signal to the door-electrical supply unit (driver’s side) and the door-electrical supply unit (passenger’s side), if any of the following operations is not performed in 30 s *1, it sends a lock request signal to the door-electrical supply unit (driver’s side) and the door-electrical supply unit (passenger’s side) to lock the front/rear doors.
-
― A door or the trunk lid is opened― A lock/unlock operation is performed using the remote transmitter.― The ignition is switched to ACC or ON (engine off).― A door of driver’s side is changed to unlock.
-
Out-of-area (reception area) type auto lock function operation
1.When all doors are closed after any door was opened, the body control module (BCM) goes on auto lock standby if all the following conditions are met.
-
• There is no remote transmitter inside the vehicle.• The remote transmitter is within the reception area outside the vehicle.• The ignition is switched off (engine off).
2.After entering the standby status, if the remote transmitter is moved out of the keyless antenna reception area and the ID data cannot be received from the keyless receiver, the body control module (BCM) sends a lock request signal to the door-electrical supply unit (driver’s side) and the door-electrical supply unit (passenger’s side) to operate all the lock actuators for a lock operation.
-
Note
-
• The keyless beeper sounds once when switching to stand-by and the door is locked.
Remote transmitter pause function operation
-
When door locking is performed
-
1. If a lock signal is input with a remote transmitter detected inside the vehicle, the body control module (BCM) sends a request signal using the outside/inside keyless antennas connected to LF control unit.2. When the remote transmitter inside the vehicle sends the ID data to the keyless receiver, the keyless receiver transmits the received ID data to the body control module (BCM) via LF control unit.3. The body control module (BCM) receives the ID data, and after approx. 32 sec, it suspends the functions of the transmitter inside the vehicle. It also operates the keyless beeper for 10 sec.
-
When the trunk lid/liftgate is closed
-
1. When the trunk lid/liftgate is closed with all the following conditions met, the body control module (BCM) sends a request signal using the interior keyless antennas connected to LF control unit.
-
― All doors are locked.― The trunk lid/liftgate is opened.― The body control module (BCM) identifies a remote transmitter inside the vehicle.
2. When the remote transmitter inside the vehicle sends the ID data to the keyless receiver, the keyless receiver transmits the received ID data to the body control module (BCM) via the LF control unit.3. The body control module (BCM) receives the ID data, and after approx. 32 sec, it suspends the functions of the transmitter inside the vehicle. -
-
Remote transmitter pause cancel operation
-
• The functions of the paused remote transmitter are restored when any one of the following conditions is met:
-
― A remote transmitter with which the engine can be started is brought inside the vehicle.― The lock/unlock button on the paused remote transmitter is pressed.
-
Remote transmitter left-in-vehicle prevention function operation
-
1. When the trunk lid/liftgate is closed with all the following conditions met, the body control module (BCM) operates the keyless beeper and puts the remote transmitter left-in-vehicle prevention function on standby.
-
― The trunk lid/liftgate is opened.― All doors are closed and locked.
2. When the trunk lid/liftgate opener switch is pressed while the remote transmitter left-in-vehicle prevention function is on standby, the LF control unit verifies the remote transmitter ID data and if the body control module (BCM) determines that the transmitter is inside the vehicle, it operates the left-in-vehicle function and sends a latch lever release signal to the electrical supply unit (ESU) to release the trunk lid/liftgate latch lever. -
-
• When any of the following conditions is met while the remote transmitter left-in-vehicle prevention function is on standby, the remote transmitter left-in-vehicle prevention function is canceled.
-
― The lock/unlock button of the remote transmitter is pressed.― A touch sensor is touched.― Any door is opened.― The vehicle speed exceeds 10 km/h {6.2 mph}.― The trunk lid/liftgate is opened and closed.
-
Alert function operation
-
• Under the conditions in the table below, the body control module (BCM) sends a security warning request signal via CAN communication to the instrument cluster.• When the instrument cluster receives the security warning request signal, it displays the warning indicator in the multi-information display or it flashes the KEY warning light.
|
Condition |
Keyless beeper |
Instrument cluster |
||
|---|---|---|---|---|
|
Keyless warning alarm |
KEY warning light (red) |
Multi-information display |
||
|
The advanced keyless entry system has a malfunction.
|
―
|
―
|
On
|
![]() |
|
The driver’s door is opened with the ignition in ACC.
|
―
|
ON
|
―
|
![]() |
|
The remote transmitter cannot be detected inside the vehicle when all doors are closed with the ignition not switched off (engine off).
|
Sounds 6 times
|
ON
|
Flash
|
![]() |
|
A door lock operation is performed 3 times within 5 sec using a touch sensor with any door open.
|
Approx. 2 sec
|
―
|
―
|
―
|
Remote transmitter battery voltage low indication function operation
-
• When the ignition is switched from ON to off (engine off) under the condition indicated in the table, the body control module (BCM) unit sends a battery voltage low indication request signal to the instrument cluster as a CAN signal.• When the instrument cluster receives the battery voltage depletion display request signal, it performs the remote transmitter battery voltage low indication in the multi-information display or it flashes the KEY indicator light.
|
Condition |
Instrument cluster |
|
|---|---|---|
|
KEY indicator light (green) |
Multi-information display |
|
|
Body control module (BCM) receives code for low remote transmitter battery voltage*1
|
Flash (for approx. 30 sec after ignition switched off)
|
![]() |










