WINDSHIELD WIPER/WASHER SYSTEM
WINDSHIELD WIPER/WASHER SYSTEM
SM2334269
id091900001900
Outline
Function
-
― Continuous wiper (low/high) function― Auto-stop function― One-touch wiper function― Intermittent wiper function (without auto wiper system)― Auto wiper function (with auto wiper system)― Synchronized washer function
Structure/Construction
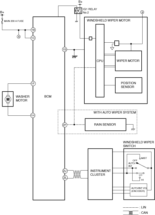
System structure
am3zzn00008877
|
System wiring diagram
ac30zn00000853
|
Operation
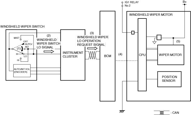
Continuous wiper (low) operation
1.When the instrument cluster detects the windshield wiper switch LO signal, it sends (3) a windshield wiper LO operation request signal to the body control module (BCM) via CAN communication.
2.When the body control module (BCM) receives the windshield wiper LO operation request signal, it sends (4) the signal to the windshield wiper motor via LIN communication.
3.When the windshield wiper motor receives the windshield wiper LO operation request signal, it operates (5) the windshield wipers continuously at low speed.
ac30zn00000854
|
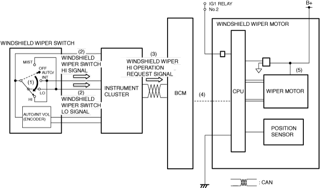
Continuous wiper (high) operation
1.When the windshield wiper switch is in the HI position (1) with the ignition switched ON (engine off or on), the instrument cluster detects (2) a windshield wiper switch LO signal and windshield wiper switch HI signal.
2.When the instrument cluster detects the windshield wiper switch LO signal and windshield wiper switch HI signal, it sends (3) a windshield wiper HI operation request signal to the body control module (BCM) via CAN communication.
3.When the body control module (BCM) receives the windshield wiper HI operation request signal, it sends (4) the signal to the windshield wiper motor.
4.When the windshield wiper motor receives the windshield wiper HI operation request signal, it operates (5) the windshield wipers continuously at high speed.
ac30zn00000855
|
Auto-stop operation
-
Note
-
• The position sensor in the windshield wiper motor detects the windshield wiper operation position.
-
― Windshield wipers stopped in park position: On― Windshield wipers stopped in position other than park: Off
-
-
Operation conditions
-
• During one-touch wiper operation• Windshield wiper switch turns off during continuous wiper operation• Windshield wipers changes to intermittent operation from continuous low speed operation during auto wiper system operation
-
Operation
-
• The windshield wiper motor detects the windshield wiper operation position and stops in park position.
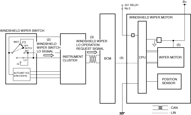
One-touch wiper operation
-
1. When the windshield wiper switch is moved up (MIST position) (1) with the ignition switched ON (engine off or on), The instrument cluster detects (2) a windshield wiper switch LO signal.2. When the instrument cluster detects a windshield wiper switch LO signal, the windshield wiper LO operation request signal is sent (3) to the body control module (BCM) using CAN communication.3. When the body control module (BCM) receives the windshield wiper LO operation request signal, it sends (4) a windshield wiper LO operation request signal to the windshield wiper motor using LIN communication.4. When the windshield wiper motor receives a windshield wiper LO operation request signal, it operates (5) the windshield wipers at low speed.
ac30zn00000856
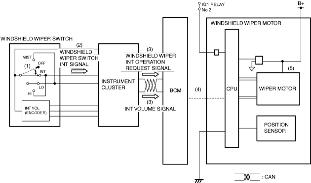
Intermittent wiper operation (without auto wiper system)
1.When the windshield wiper switch is in the INT position (1) with the ignition switched ON (engine off or on), the instrument cluster detects (2) a windshield wiper switch INT signal.
2.When the instrument cluster detects the windshield wiper switch INT signal, it sends (3) a windshield wiper INT operation request signal and INT volume signal to the body control module (BCM) via CAN communication.
3.When the body control module (BCM) receives the windshield wiper INT operation request signal, it sends (4) the signal to the windshield wiper motor.
4.When the windshield wiper motor receives the windshield wiper INT operation request signal, it operates (5) the windshield wipers at low speed.
ac30zn00000857
|
Auto wiper operation (with auto wiper system)
-
• For details on the auto wiper operation, refer to the [AUTO WIPER SYSTEM]. (See AUTO WIPER SYSTEM.)
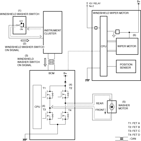
Synchronized washer operation
1.When the windshield washer switch turns on (1) with the ignition switched ON (engine off or on) and the windshield wipers not operating, the instrument cluster detects (2) a windshield washer switch on signal.
2.The instrument cluster sends (3) the windshield washer switch on signal to the body control module (BCM) via CAN communication.
3.When the body control module (BCM) receives the windshield washer switch on signal, it turns FET B and FET C on (4).
4.When FET B and FET C are on, a circuit in the windshield washer relay is established and the washer motor drives (5) to spray washer fluid from the windshield washer nozzle.
5.When the body control module (BCM) receives the windshield washer switch on signal for a certain period of time, it operates (6) the windshield wipers at low speed.
6.After the front washer switch is turned off, the windshield wipers operate 2 times at low speed and stop.
-
Note
-
• If the windshield washer switch turns on while the windshield wipers are operating, windshield wiper operation is continued and the windshield washer operation from (4) to (6) is performed.
ac30zn00000858
|






