REAR MAP LIGHT
REAR MAP LIGHT
SM2334259
id091800112700
Purpose
Function
Structure/Construction
am3zzn00007364
|
Operation
-
Note
-
• When the BCM receives a lock signal on the remote transmitter with the ignition switched off and all doors/trunk lid closed, it automatically turns the rear map light off.
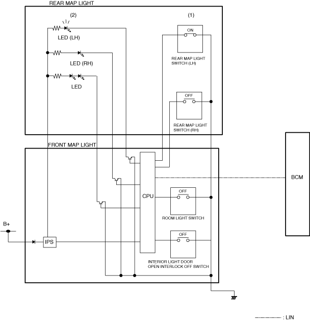
Rear map light switch operation
-
1. When the rear map light switch turns on (1), the rear map light turns on (2).
am3zzn00007446
|
-
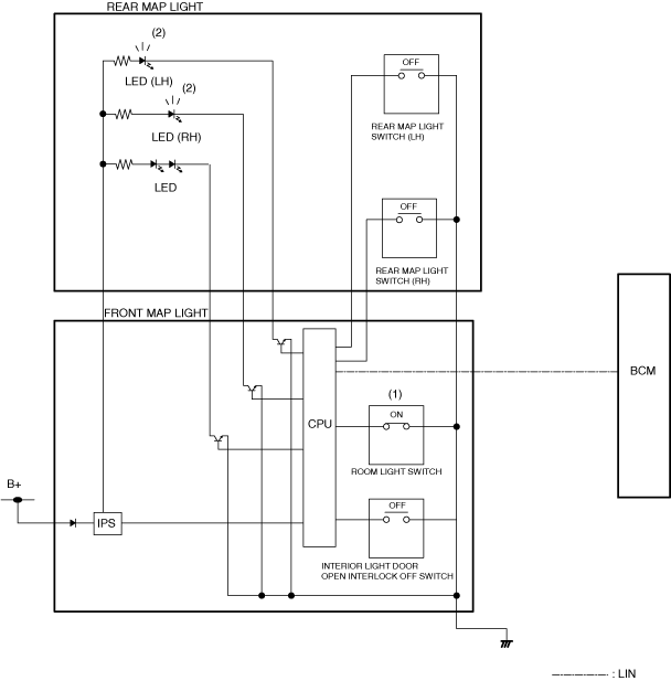
Room light switch for front map light operation
-
1. When the interior light switch for the front map light turns on (1), the rear map light turns on (2).
am3zzn00007447
-
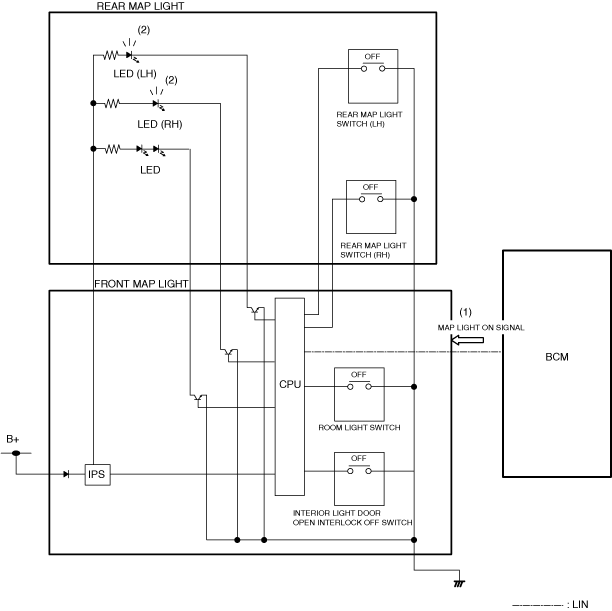
Interior light door open interlock switch operation for front map light
-
1. When any door is opened, the body control module (BCM) detects a door open signal.2. The body control module (BCM) sends (1) a front map light on request signal to the front map light via LIN communication.3. When the rear map light receives the front map light on request signal with the door off interlock switch switched off, it turns the rear map light on (2).
-
Note
-
• When the interior light door open interlock off switch for the front map light turns off, the interior light control system controls the timing for turning the rear map light on and off. For details, refer to the [INTERIOR LIGHT CONTROL SYSTEM].(See ROOM LIGHT CONTROL SYSTEM.)
am3zzn00007448
|



