PUSH BUTTON START SYSTEM [KEYLESS ENTRY SYSTEM]
PUSH BUTTON START SYSTEM [KEYLESS ENTRY SYSTEM]
SM2334228
id0914001116b3
Outline
Function
-
― Engine start: When the remote transmitter authorization is performed while the engine starting conditions are met, the engine starts.― Power supply switching: When the remote transmitter authorization is performed, the ignition can be switched between OFF, ACC, and ON (engine on).
Structural View
am3zzn00008251
|
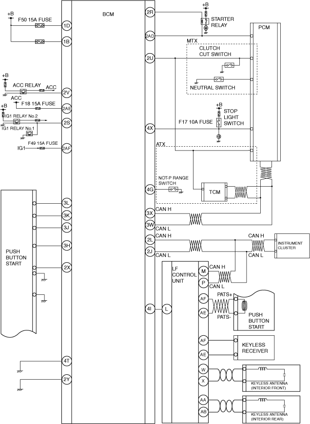
System Wiring Diagram
am3zzn00010390
|
Operation
Remote transmitter verification
1.When the push button start is pressed, a push button start signal (1) is input to the body control module (BCM).
2.When the body control module (BCM) detects a push button start signal, it sends a request signal (2) using all the keyless antennas in the vehicle interior.
3.The remote transmitter receives the request signal from the keyless antennas, and transmits ID data (3) to the keyless receiver via LF control unit.
4.The keyless receiver transmits the received ID data (4) to the LF control unit. The LF control unit verifies the key ID number and if the ID data matches, it sends the ID data (5) to the body control module (BCM).
5.The power supply is switched to illuminate the push button start indicator light (amber). For details on the power supply switching, refer to POWER SUPPLY SWITCHING [(US)].
ac30zn00000550
|
Engine-start operation
-
• The remote transmitter authorization is performed and the engine starts by pressing the push button start when all the following conditions are met:
-
Engine start conditions
-
― Clutch pedal is depressed (MTX)― Brake pedal is depressed (ATX)― Selector lever is in P or N position (ATX)― Remote transmitter is within request signal output range of keyless antennas in vehicle interior
-
-
Back-up mode (MTX) for engine-start
-
• If the body control module (BCM) determines that either the clutch pedal position switch or clutch cut switch is malfunctioning, the system switches to back-up mode.• If the push button start is pressed when all the following conditions are met while in the back-up mode, the remote transmitter authorization is performed and the engine starts.
-
― Body control module (BCM) detects that either clutch pedal position switch or clutch cut switch is on― Neutral switch signal is received via CAN communication from PCM― Remote transmitter is within request signal output range of keyless antennas in vehicle interior
-
Guidance function
-
Advice display for engine-start
-
• Under the following conditions, the body control module (BCM) sends an advice request signal by using CAN communication to the instrument cluster.• When the instrument cluster receives an advice request signal, it displays the conditions which have not been met in order to start the engine in the multi-information display.
|
Condition |
Multi-information display |
|---|---|
|
Ignition is switched ON (engine off) from OFF (LOCK) without depressing clutch pedal (MTX)
|
![]() |
|
Ignition is switched ON (engine off) from OFF (LOCK) without depressing brake pedal (ATX)
|
![]() |
|
Ignition is switched ON (engine off) and selector lever is not in P position when pressing push button (ATX)
|
![]() |
-
Display of methods for resolving issues
-
• Under the following conditions, the body control module (BCM) sends a warning request signal by using CAN communication to the instrument cluster to flash the push button start indicator (green).• When the instrument cluster receives the warning request signal, it displays the method for resolving an issue in the multi-information display.
|
Condition |
Instrument cluster |
Push button start |
||
|---|---|---|---|---|
|
KEY indicator light (green) |
KEY warning light (red) |
Multi-information display |
Indicator light (green) |
|
|
Engine start conditions are met
|
On
|
―
|
―
|
On
|
|
Push Button Start System has a malfunction
|
―
|
Flashes
|
![]() |
―
|






