PANEL LIGHT
PANEL LIGHT
SM2334291
id092200033000
Purpose
Functions
-
― Instrument cluster― Climate control unit― Steering switch― Cluster switch― Hazard warning switch― Shift panel (indicator)― Drive selection switch― Indicator unit― Commander switch― Cruise control switch― Electric parking brake switch― CD player― Trunk lid opener switch
Structure/Construction
am3zzn00006873
|
Operation
Panel light dimming operation (instrument cluster)
-
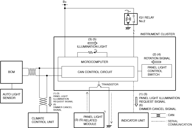
1. When the instrument cluster receives (1) a TNS (parking lights) signal (without auto light system)/panel light illumination request signal (with auto light system) from the body control module (BCM) via CAN communication while the ignition is switched ON (engine off or on), it changes (2) the brightness of illumination lights in the instrument cluster.
am3zzn00006874
Panel light on operation (except instrument cluster)
-
1. When the instrument cluster receives (1) a TNS (parking lights) signal/panel light illumination request signal (with auto light system) from the body control module (BCM) via CAN communication while the ignition is switched ON (engine off or on), it performs the following controls.
-
Note
-
• The panel lights do not dim when the auto light sensor detects that the surrounding area is bright.
-
― Sends (2) a panel light illumination request signal to the climate control unit via CAN communication.― Sends (2) a panel light illumination request signal to the indicator unit via serial communication.― Turns (2) the panel light-related parts circuit transistor on.
2. When the transistor turns on, a ground circuit with the panel light-related parts is established, and the illumination lights for the panel light-related parts turn on (3).
am3zzn00009335 -
Panel light control switch operation
-
1. When the instrument cluster detects (2) a panel light control switch rotation signal while a panel light illumination request signal is being output (1), it performs the following controls.
-
― Changes (3) the brightness of illumination lights in the instrument cluster and panel-light related module.― Changes (3) the panel light illumination request signal brightness being sent to the climate control unit via CAN communication.― Changes (3) the panel light illumination request signal brightness being sent to the indicator unit via serial communication.
2. If the instrument cluster detects (4) that the panel light control switch is in the maximum right rotation position, it maximizes (5) the brightness of the illumination lights and panel-light related module, and sends (6) a dimmer cancel signal to the climate control unit and indicator unit.
am3zzn00009336 -



