ROOM LIGHT CONTROL SYSTEM
ROOM LIGHT CONTROL SYSTEM
SM2334251
id091800012300
Outline
Function
|
Signal name |
Sending module/part name |
Communication method |
|---|---|---|
|
Door latch switch signal
|
Door latch switch
|
Hard wire
|
|
Door lock-link switch signal
|
Front door lock-link switch (driver-side)
|
|
|
Liftgate latch switch signal (5HB)
|
Liftgate lid latch switch (5HB)
|
|
|
Trunk lid latch switch signal (4SD)
|
Trunk lid latch switch (4SD)
|
|
|
Ignition switch position signal
|
IG1 relay
|
|
|
Instrument cluster
|
HS-CAN
|
×: With room light control system—: No system
|
Type |
Installation position |
Room light control system |
|
|---|---|---|---|
|
Front map light
|
![]() |
Front area of roof
|
×
|
|
Rear map light
|
![]() |
Rear area of roof
|
×
|
|
Cargo compartment light
|
![]() |
Cargo compartment
|
×
|
|
Trunk compartment light
|
![]() |
Trunk compartment
|
×
|
|
Vanity mirror illumination (with vanity mirror illumination)
|
![]() |
Sunvisor
|
—
|
|
Glove compartment light
|
![]() |
Glove compartment
|
—
|
|
Front foot light (with front foot light)
|
![]() |
Under dashboard
|
×
|
Structure/Construction
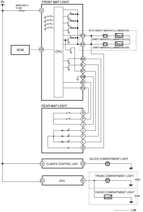
System structure
am3zzn00008854
|
System wiring diagram
am3zzn00010381
|
Operation
Map light/Courtesy light
—: Not applicable
|
Operation Conditions |
Interior light |
Lights off condition |
|
|---|---|---|---|
|
Illumination period |
Brightness level |
||
|
When all of the following conditions are met:
• Ignition switch: ON (engine off or on)
• Any door opened (any door latch switch is on)
|
—
|
Room light 100 %
Map light 50 %
|
All doors other than trunk closed (all door latch switches off)
|
|
When all of the following conditions are met:
• Ignition switch: ACC or off
• Interior light door open interlock switch for the front map light is on
• Any door opened (any door latch switch is on)
|
Approx. 30 min *1
|
100 %
|
When any of the following conditions are met:
• All doors other than trunk closed (all door latch switches off)
• After illumination time elapses *2
|
|
When all of the following conditions are met:
• Ignition switch: ACC or off
• Interior light door open interlock switch for the front map light is on
• Driver’s door lock knob unlocked
• All door closed (all door latch switches are off) from the condition that any door is opened (any door latch switch is off)
|
• Approx. 5 s *3
• Approx. 15 s *1 /*4
|
40 %
|
When any of the following conditions are met:
• After illumination time elapses
• Driver’s door lock knob locked
• Any door opened (any door latch switch is on)
• Ignition switched ON (engine off or on)
|
|
When all of the following conditions are met:
• Ignition switch: ACC or off
• Interior light door open interlock switch for the front map light is on
• All door closed (all door latch switches are off)
• Driver’s door lock knob is switched from lock to unlock
|
Approx. 30 s
|
100 %
|
When any of the following conditions are met:
• After illumination time elapses
• Driver’s door lock knob locked
• Any door opened (any door latch switch is on)
• Ignition switch: ON (engine off or on)
|
|
When all of the following conditions are met:
• Interior light door open interlock switch for the front map light is on
• All door closed (all door latch switches are off)
• Ignition is switched from except off to off
|
Approx. 15 s
|
100 %
|
When any of the following conditions are met:
• Driver’s door lock knob is switched from unlock to lock
• After illumination time elapses
• Any door opened (any door latch switch is on)
|
am3zzn00007441
|
-
― The ignition is switched ON (engine off or on).― After closing all doors, any door is opened again. (All door latch switches off, then any door latch switch is on)
Trunk compartment light (4SD)/Cargo compartment light (5HB)
|
Operation Conditions |
Interior light |
Lights off condition |
|
|---|---|---|---|
|
Illumination period |
Brightness level |
||
|
Trunk (4SD)/liftgate (5HB) is opened
|
Approx. 15 min
|
100 %
|
When any of the following conditions are met:
• When all of the following conditions are met:
• Trunk (4SD)/liftgate (5HB) closed
|
am3zzn00010382
|
-
― The ignition is switched ON (engine off or on).― After Trunk (4SD)/liftgate (5HB) is closed, and then opened again. (Trunk lid latch switch (4SD)/liftgate latch switch (5HB) off, then switch on)― Any door is opened/closed. (Any door latch switch on/off)― Door is locked/unlocked. (Door lock-link switch locked/unlocked)









