SEAT WARMER SYSTEM [(US)]
SEAT WARMER SYSTEM [(US)]
SM2334202
id0913001012x1
-
Note
-
• When the seat warmer switch is turned on with the ignition switched ON (engine on), the seat warmer system operates.
Purpose
Function
-
Note
-
• If the seat warmer is set to auto mode, an appropriate temperature according to the environment is automatically set even is the switch operation is not performed.
am3zzn00010021
|
Structural view
am3zzn00008389
|
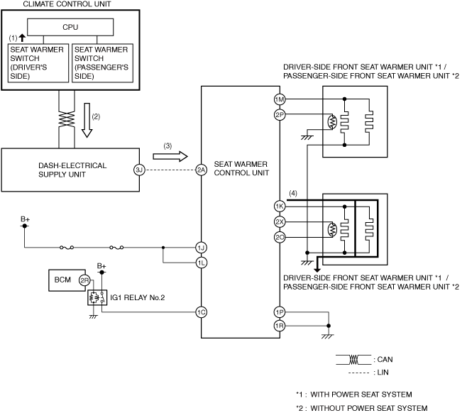
System wiring diagram
am3zzn00008390
|
Operation
Auto mode
-
• The auto mode operation can be set on the center display. For details, refer to [FULL-AUTO AIR CONDITIONING SYSTEM]. ( See FULL-AUTO AIR CONDITIONER SYSTEM [FULL-AUTO AIR CONDITIONER (US)].)
-
Note
-
• If the front passenger’s seat belt is unfastened, the seat warmer on the front passenger’s side is turned off.• If the seat warmer switch is pressed while in auto mode, only the operated seat changes to manual mode. If auto mode is used again, press the auto switch.
-
Manual mode
1.When the seat warmer switch (driver’s side) is operated (1), the climate control unit sends (2) a seat water switch operation signal to the dash-electrical supply unit.
2.The dash-electrical supply unit receives the seat warmer switch operation signal and sends (3) a temperature level signal according to the seat warmer switch operation to the seat warmer control unit.
3.When the seat warmer control unit receives a temperature level signal, it supplies (4) power to the driver’s seat warmer unit and the seat warmer unit warms.
-
• If the seat warmer control unit detects that the temperature around the seat warmer unit exceeds the set value by the current output to the thermistor, the power supply is cut.
am3zzn00008391
|



