POWER DOOR AND FUEL-FILLER LID LOCK SYSTEM [(US)]
POWER DOOR AND FUEL-FILLER LID LOCK SYSTEM [(US)]
SM2565483
id0914000092x1
Outline
-
Note
-
• When the touch sensor located in the outer handle of the driver-side door is operated to unlock, the driver-side door and fuel-filler lid unlocks.• When the remote transmitter’s unlock button is operated to unlock, the driver-side door and fuel-filler lid unlock, and when the unlock button is operated again within 5 sec, the other doors unlock.• The fuel-filler lid lock operation is delayed based on the personalized delay time.
Function
Door lock switch interlock function
-
• When the door lock switch is operated to lock/unlock, all the doors and fuel-filler lid lock/unlock.
-
Note
-
• The time until the fuel-filler lid is locked after locking the driver’s door can be changed.(Initial time is 90 sec)
2-step unlocking function
-
• When the remote transmitter’s unlock button is operated to unlock, only the driver-side door unlocks, and when the unlock button is operated again within 5 se, the other doors and the fuel-filler lid unlock.
Collision detection unlock function
-
• This function unlocks the doors in case of a collision to enhance rescue operation from outside the vehicle.
Auto door lock function
-
• All doors and fuel-filler lid automatically lock/unlock in conjunction with the vehicle speed and the operation of the selector lever (ATX) and the ignition switch.
Structural view
am3zzn00008200
|
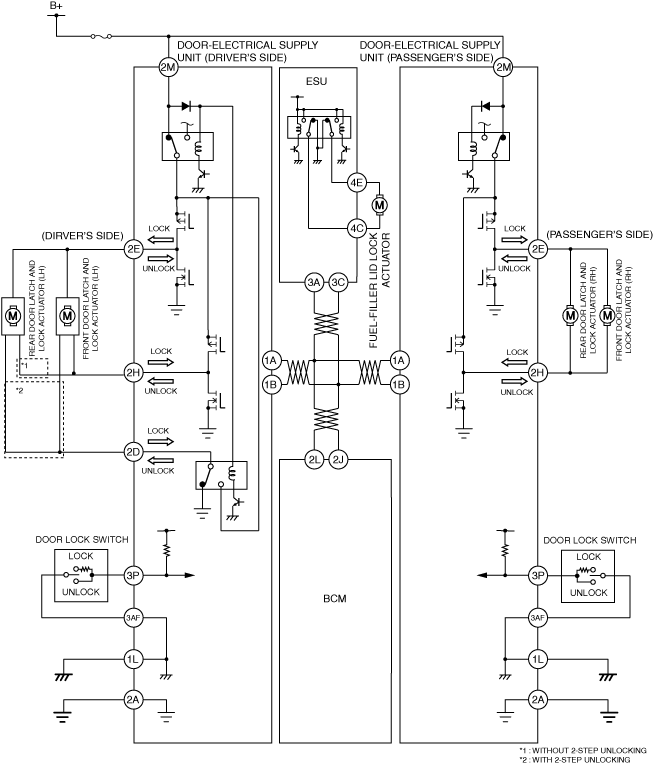
System wiring diagram
ac30zn00000574
|
Operation
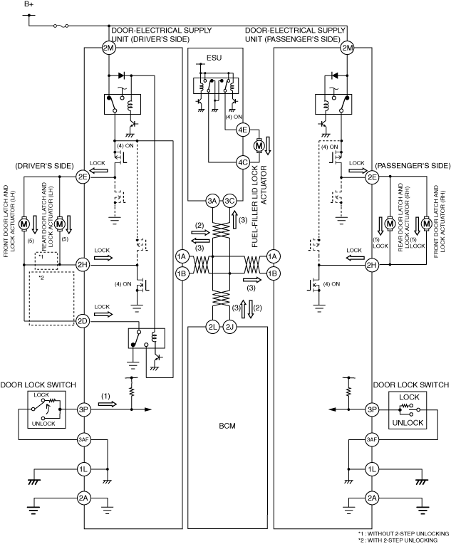
Lock operation using door lock switch
1.When the door-electrical supply unit (driver’s side) detects a door lock switch lock signal (1), it sends a door lock switch lock signal (2) using CAN communication to the body control module (BCM).
2.When the body control module (BCM) receives a door lock switch lock signal (2), it determines the door lock operation and sends an all door lock signal (3) using CAN communication to the door-electrical supply unit (driver’s side) and the door-electrical supply unit (passenger’s side) and electrical supply unit (ESU).
3.When the door-electrical supply unit (driver’s side) and the door-electrical supply unit (passenger’s side) and electrical supply unit (ESU) receive an all door lock signal (3), the door-electrical supply unit (driver’s side) and the door-electrical supply unit (passenger’s side) turns the FET (lock side) on (4), and the electrical supply unit (ESU) turns the transistor on (4) and then the relay turns on (4).
4.When the FET (lock side) turns on (4), the front and rear door latch and lock actuator motors perform a lock operation (5), and the front and rear doors lock. When the relay turns on, the fuel-filler lid lock actuator motor performs a lock operation, and the fuel-filler lid locks.
-
Note
-
• The time until the fuel-filler lid is locked after locking the driver’s door can be changed.(Initial time is 90 sec)
ac30zn00000575
|
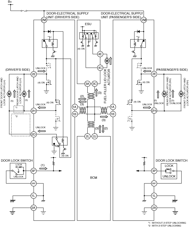
Unlock operation using the door lock switch
1.When the door-electrical supply unit (driver’s side) detects a door lock switch unlock signal (1), it sends a door lock switch unlock signal (2) using CAN communication to the body control module (BCM).
2.When the body control module (BCM) receives a door lock switch unlock signal (2), it determines the door unlock operation and sends an all door unlock signal (3) using CAN communication to the door-electrical supply unit (driver’s side) and the door-electrical supply unit (passenger’s side) and the electrical supply unit (ESU).
3.When the door-electrical supply unit (driver’s side) and the door-electrical supply unit (passenger’s side) and the electrical supply unit (ESU) receive an all door unlock signal (3), the door-electrical supply unit (driver’s side) and the door-electrical supply unit (passenger’s side) turn the transistor on (4) and turn the door unlock relay on (4), at the same time FET (unlock side) on (4), and the electrical supply unit (ESU) turns the transistor on and then the relay turns on.
4.When the door unlock relay (4) and FET (unlock side) turns on (4), the front and rear door latch and lock actuator motors perform an unlock operation (5), and the front and rear doors unlock. When the relay turns on, the fuel-filler lid lock actuator motor performs an unlock operation, and the fuel-filler lid unlock.
ac30zn00000576
|
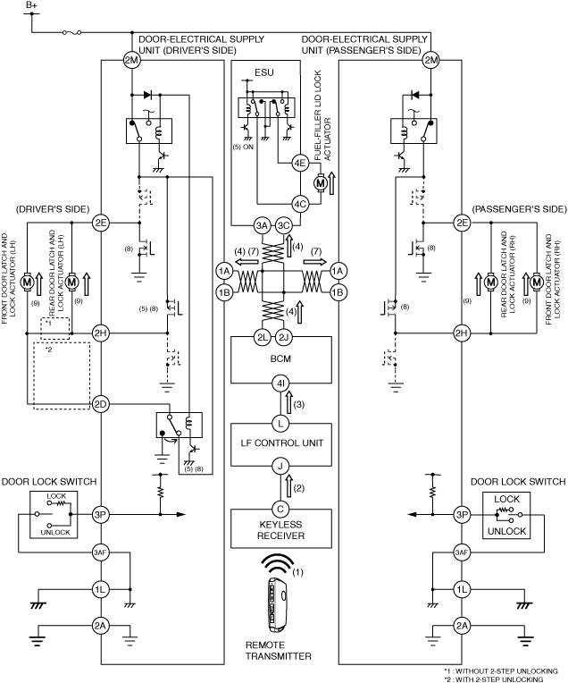
2-Step Unlocking Function Operation Using Keyless Entry Remote Transmitter
Timing chart of 2-step unlocking function operation using keyless entry remote transmitter
-
• If the following condition is met with all the doors locked, the 2-step unlocking function operates.
-
― The body control module (BCM) receives an unlock signal, and within 5 sec it receives another unlock signal.
-
ac30zn00000623
|
1.When the UNLOCK button on the keyless entry remote transmitter is operated, the keyless entry remote transmitter sends an unlock signal to the keyless receiver (1).
2.When the keyless receiver recveives an unlock signal, it sends an unlock signal to the LF control unit (2).
3.When the LF control unit receives an unlock signal, it sends an unlock signal by using SERIAL LFU (UART) to the body control module (BCM) (3).
4.When the control module (BCM) receives an unlock signal, it sends a driver’s door unlock signal (4) by using CAN communication to the door-electrical supply unit (driver’s side).
5.When the door-electrical supply unit (driver’s side) receives a driver’s door unlock signal (4), it turns the transistor on (5) and turns the door unlock relay on (5), at the same time the FET (unlock side) on (5). When the electrical supply unit (ESU) receives a driver’s door unlock signal (4), it turns the transistor on (5) and turns the relay on. The fuel-filler lid actuator motor performs an unlock operation, and the fuel-filler lid unlocks.
6.When the door unlock relay and FET (unlock side) turn on (5), the driver’s door unlock actuator motor performs an unlock operation (6), and the driver’s door unlock.
7.If the body control module (BCM) receives another unlock signal within 5 sec after it received the first unlock signal, it sends an all door unlock signal (7) by using CAN communication to the door-electrical supply unit (driver’s side) and the door-electrical supply unit (passenger’s side) and electrical supply unit (ESU).
8.When the door-electrical supply unit (driver’s side) and the door-electrical supply unit (passenger’s side) receive an all door unlock signal (7), it turns the transistor on (8) and turns the door unlock relay on (8), at the same time the FET (unlock side) turns on (8).
9.When the door unlock relay and the FET (unlock side) turn on (8), all the door’s unlock actuator motors perform an unlock operation (9), and all door unlocks.
ac30zn00000577
|
Collision detection unlock function operation
1.When an air bag deploys, the SAS control module sends an air bag deployment signal (1) to the door-electrical supply unit(driver’s side) and the door-electrical supply unit(passenger’s side) as a CAN signal via the body control module (BCM).At the same time, the SAS control module sends an airbag deployment signal (1) to the door-electrical supply unit(driver’s side) and the door-electrical supply unit(passenger’s side) as a serial signal.
2.The door-electrical supply unit (driver’s side) and the door-electrical supply unit (passenger’s side) receives the air bag deployment signal (1) and after approx. 6 sec, it operates (2) the front and rear door lock actuator motors, and the front and rear doors unlock.
ac30zn00000544
|
Auto Door Lock Operation
-
― Theft-deterrent system in operation stop-mode, initial mode, or stand-by preparatory mode (See THEFT-DETERRENT SYSTEM [(US)])― Ignition switch ON (engine on) is detected― All door latch switch OFF (all doors closed condition) is detected― Liftgate latch switch OFF (liftgate closed condition) is detected― Vehicle is determined to be driven
-
― Theft-deterrent system in operation stop-mode, initial mode, or stand-by preparatory mode (See THEFT-DETERRENT SYSTEM [(US)])― Ignition switch ON (engine off or on) is detected
-
― Theft-deterrent system in operation stop-mode, initial mode, or stand-by preparatory mode (See THEFT-DETERRENT SYSTEM [(US)])― Ignition switch ON (engine on) is detected― All door latch switch OFF (all doors closed condition) is detected― Liftgate latch switch OFF (liftgate closed condition) is detected
-
― Theft-deterrent system in operation stop-mode, initial mode, or stand-by preparatory mode (See THEFT-DETERRENT SYSTEM [(US)])― Doors locked by selector lever interlock door lock control or vehicle interlock door lock control
-
Note
-
• The time until the fuel-filler lid is locked by auto door lock operation cannot be changed.






