SECONDARY COLLISION REDUCTION
SECONDARY COLLISION REDUCTION
SM2334039
id041500200700
Purpose
-
Warning
-
• The secondary collision reduction performs the brake control, however, it is not a system which guarantees collision prevention under all conditions. Because deceleration by the brake control is limited.
-
Note
-
• The secondary collision reduction is a system for assisting driver operations. Accordingly, if the conditions for the secondary collision reduction are met, or even when the secondary collision reduction is operating, if the driver operates the steering wheel, accelerator pedal, and the brake pedal, the driver’s operations take precedence and the secondary collision reduction operation is canceled.
Function
-
― Hazard warning which flashes the hazard warning lights to warn surrounding vehicles when the vehicle has been in a collision.
-
• The hazard warning is equipped as standard.
― Brake control which operates the automatic brakes when the vehicle is hit while it is stopped and moved by the impact.-
• The brake control is equipped along with mazda radar cruise control (MRCC) system.
-
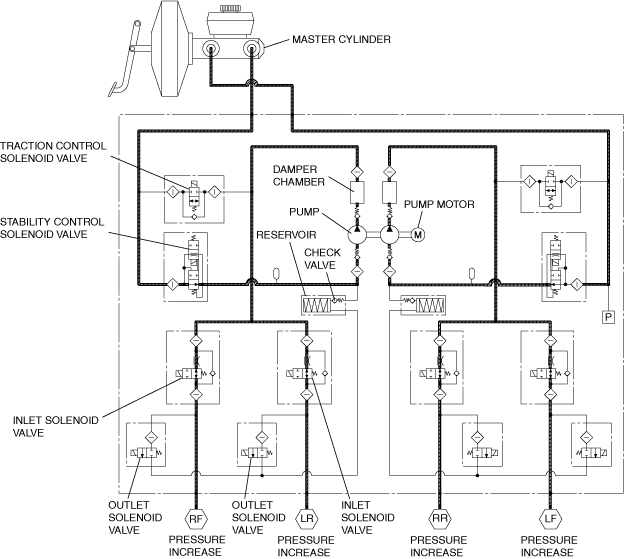
Construction
Solenoid valve operation table
|
Traction control solenoid valve |
Stability control solenoid valve |
Inlet solenoid valve |
Outlet solenoid valve |
Pump motor, pump |
||||||||
|---|---|---|---|---|---|---|---|---|---|---|---|---|
|
LF—RR |
RF—LR |
LF—RR |
RF—LR |
LF |
RF |
LR |
RR |
LF |
RF |
LR |
RR |
|
|
ON (close)
|
ON (open)
|
OFF (open)
|
OFF (close)
|
Operating
|
||||||||
Hydraulic circuit diagram
ac5wzn00000546
|
Block diagram
am3zzn00007923
|
Operation
Hazard warning operation
-
• The SAS control module detects a collision with another vehicle, it outputs a hazard warning request signal (1) to the BCM. The BCM flashes the turn light (2) during a collision to caution the vehicles surrounding vehicle when it detects a certain amount of impact.• While the hazard warning is operating, all the turn lights are flashed automatically. The system can be turned off by pressing the hazard warning light switch two times.
Brake control operation
-
• Operation conditions (any of the following conditions must be met):
-
― The selector lever is in the P position. (ATX)― The parking brake is applied.― The brake pedal is depressed. (the DSC HU/CM monitors the brake fluid pressure)
• When any of the operation conditions is met and the SAS control module detects a collision with another vehicle, it outputs a brake control request signal (3) to the DSC HU/CM. (At the same time, it also outputs a hazard warning request signal to the BCM).• The DSC HU/CM energizes the traction control and the stability control solenoid valves to switch the hydraulic circuits, and at the same time, it operates the pump motor to activate the pump so that the brake fluid pressure is lead to the caliper piston and the automatic brakes are operated (4). At the same time, the DSC HU/CM outputs a brake light signal to the BCM (5).• While the brake control is operating, turns on the brake lights automatically (6).• Cancel condition (any of the following conditions must be met):-
― The engine is stopped (the ignition is switched off).― Approx. 1.5 s has elapsed since the vehicle was stopped by the brake control.― The accelerator pedal opening angle exceeds approx. 20%.― Brake force greater than that generated by the brake control is input via the brake pedal.
-
ac8wzn00000231
|
-
Caution
-
• The secondary collision reduction does not operate if the DSC system has a malfunction and the DSC control is inhibited.• The secondary collision reduction may not operate in the case of a low-speed collision in which the air bags do not deploy.• The secondary collision reduction may not operate if the vehicle speed exceeds approx. 50 km/h {31 mph} because of the first collision.• The secondary collision reduction does not operate if the components of the SAS control module and the DSC system are significantly damaged by the first collision.


