Menu +
Generic selectors
Exact matches only
Search in title
Search in content
Post Type Selectors

EFFICIENT INSTALLATION OF BODY PANELS

EFFICIENT INSTALLATION OF BODY PANELS

SM2333611


id000000600500



Checking Preweld Measurements And Watching

• Align to the standard reference dimensions, based upon the body dimensions illustration, so that new parts are installed in the correct position.

acxuub00000069



Welding Notes

• For the number of weld points, welding should be performed in accordance with the following reference standards.

am3uub00000077



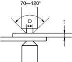
Spot Welding Notes

• The shape of the spot welder tip is D=(2×t)+3. If the upper panel thickness is different from that of the under panel, adjust to the thinner one.

ac9uub00000041
• Because the weld strength is affected by the shape of the spot welder tip, the optimum condition of the tip should always be maintained.

acxuub00000070
• Spot welds should be made at points other than the originally welded points.
• Before spot welding, make a trial weld using the same material as the body panel to check the weld strength.

am3uub00000078



Checking Weld Strength

• Installation locations of the engine, chassis, and seat belts are designated as important safety locations for weld strength. Check weld strength by driving a chisel between the panels at every fourth or fifth weld spot, and every tenth regular weld location.

am3uub00000079
• Drive the chisel between the panels according to the number of panels as shown below.

am3uub00000080
• To determine weld strength, drive the chisel between the panel and check whether the panels come apart. If the panels come apart, make another weld near the original weld.
• Restore the shape of the checked area.